来源:江苏建设
随着我国人口老龄化的加剧,老旧小区中的老年人口不断增加,为了解决老年人出行活动困难等日益突出的问题,老旧小区既有多层住宅加装电梯成为现实迫切的需求。

江苏省住房和城乡建设厅于2021年立项,组织专业技术力量开展《图则》编制工作。编制组搜集整理了国家和地方既有建筑加装电梯相关政策、标准,对省内典型项目进行实地调研,总结反思了既有建筑加装电梯在建筑风貌、无障碍设计、消防设计、结构形式等方面存在的不足,经汇总分析并征求各方意见,最终形成该《图则》。专家审查组组长、省设计大师马晓东对《既有多层住宅加装电梯通用图则》予以充分肯定,认为该《既有多层住宅加装电梯通用图则》遵循通用化、标准化和装配化的原则,贯彻绿色低碳发展理念,对规范我省既有住宅加装电梯设计、促进城市风貌提升具有指导意义。
完善居住功能 适应多样现状
全省各地既有建筑平面形态、立面风格情况多样,项目现状复杂。《图则》针对目前既有住宅加装电梯中出现的建筑外观风貌不协调等问题,以完善既有多层住宅的使用功能,提升居住品质和城市风貌为目标,对加装电梯的立面设计、部品部件及工程做法、建筑、结构、机电设备、整体集成化等相关技术开展研究,以通用做法适应多样项目现状,利于推行落地。

加装电梯立面效果图示

明确技术措施 规范电梯加装
《图则》以规范和指导江苏省既有多层住宅加装电梯工程建设为目标,编制过程中,项目团队结合对已加建电梯小区现状的实地调研和对现有相关规范的梳理整合,确定相关指标参数,保证电梯符合规范要求,杜绝安全隐患,并从人性化角度,关注细节,提升使用舒适性,为全省各地推进既有住宅加装电梯工作提供技术支撑。


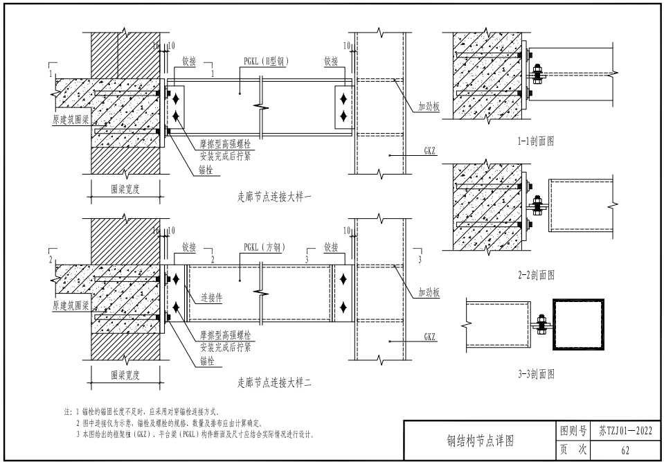
钢结构节点详图

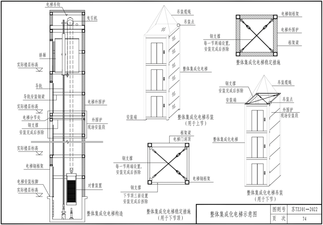
采用集成化设计 推动绿色低碳
加建电梯的标准化、模数化、整体集成化设计,有利于街区、城市风貌的和谐统一,也有利于提高生产及施工效率,节约社会资源。加装电梯推荐采用全装配式设计,鼓励除基础外的全工厂预制及装配施工,同时提供可选配的垂直绿化、太阳能照明等创新模块设计,打造绿色示范项目。


知识点:既有多层住宅加装电梯通用图则
0人已收藏
0人已打赏
免费1人已点赞
分享
居住建筑设计
返回版块28.74 万条内容 · 423 人订阅
阅读下一篇
老旧小区住宅加装电梯项目实施流程图第一步 民主协商 单元内部协商统一意见 达成共识符合加装电梯条件 方式为投票表决 参加人数需达到三分之二以上 其中参入人数四分之三以上同意 方可推行下一步流程 第二步 初步方案编制 业主与加梯公司商定本单元 最优加装电梯方案 并由加梯公司提供初步方案图 第三步 项目表决 加梯公司与业主确定加梯方案 资金分摊等相关事项 方式为召开业主商讨会议 第四步
回帖成功
经验值 +10
全部回复(1 )
只看楼主 我来说两句 抢板凳不能下载吗?
回复 举报