土木在线论坛 \ 建筑结构 \ 结构资料库 \ 悬挑板阳角放射筋到底放在哪一层?筏板呢?

悬挑板阳角放射筋到底放在哪一层?筏板呢?

发布于:2022-09-06 15:26:06 来自:建筑结构/结构资料库 [复制转发]

悬挑板阳角放射筋到底放在哪一层?今天抛砖引玉,欢迎讨论!


首先分两种情况,楼/屋面板的悬挑板阳角放射筋和筏板基础外挑阳角放射筋!首先从大的位置上,楼/屋面板放射筋自然是在顶部,筏板放射筋在底部!那具体是在哪一层,和受力钢筋的关系如何?

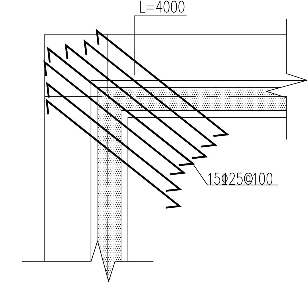
一、楼/屋面板:

下图为16G101-1中112页内容:

图片    

下图为18G901-1中4-22和4-25页内容:

图片    
图片    


二、筏板:

下图为某项目图纸中设计提供的外挑筏板阳角板底加筋详图

图片    

下图为某施工现场实际放置照片:

图片    

图集已经给的很明确,如果筏板基础放射筋要参考楼面板的放置方式,在施工上会有一些难度!抛砖引玉,欢迎在底部留言,加入讨论!



内容源于网络,如有侵权,请联系删除


相关资料推荐:

悬挑板阳角放射筋构造详图


知识点:悬挑板阳角放射筋




  • kkeout曼
    kkeout曼 沙发

    放射筋本就是构造,旨在加强角部悬挑薄弱部位,现场这样摆感觉问题不大。

    2022-09-07 17:16:07

    回复 举报
    赞同0
这个家伙什么也没有留下。。。

结构资料库

返回版块

41.29 万条内容 · 424 人订阅

猜你喜欢

阅读下一篇

如何合理确定桩筏基础的筏板厚度

如何合理确定桩筏基础的筏板厚度 关键词:筏板厚度整体弯曲局部弯曲变刚度调平 桩筏基础筏板厚度的确定应根据承载能力极限状态及正常使用极限状态的要求,分别按下列规定进行计算和验算:抗冲切、抗剪;正截面受弯;变形和裂缝。 1、抗冲切、抗剪。 冲剪验算包括桩对筏板和柱、剪力墙对筏板冲剪验算。柱和剪力墙对筏板的冲剪一般可通过在柱下或剪力墙下布置桩的方法来消除冲剪破坏。 [1]国外规范对于各种构件,何种应当验算剪切、何种应当验算冲切,皆有明确规定。例如,美国与新西兰规范规定:单向受力构件,验算剪切强度,例如梁(但深梁除外);双向受力构件,验算冲切强度,例如双向板,柱下扩展基础(后者在某些情况下也需验算剪切)。而且对于验算剪切强度,规定其验算截面是横跨整个构件截面,而不是在构件中间截取一段来验算。因此,筏形基础的双向底板,仅验算其抗冲切强度即可。

回帖成功

经验值 +10