剪力墙为何设置底部加强部位,其高度是如何确定的?底部加强部位有何主要构造要求?




问题2:剪力墙哪些部位设置的是约束边缘构件,哪些部位设置的是构造边缘构件,平法注写如何表示?




问题3:剪力墙水平分布钢筋计入约束边缘构件(YBZ)阴影区体积配箍率时,如何处理在端部的做法?












问题4:剪力墙水平分布钢筋替代构造边缘构件(GBZ)中的部分箍筋时,如何处理在端部的做法?









问题5:剪力墙中扶壁柱或非边缘暗柱有何构造要求?是否与边缘构件相同?





问题6:剪力墙中的竖向分布钢筋和水平分布钢筋与墙中的连梁、暗梁及边框梁中的钢筋如何摆放?







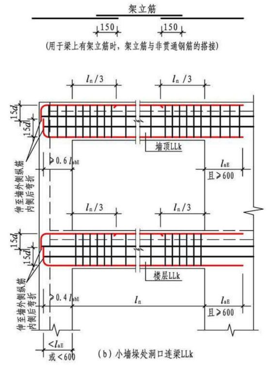
问题7:跨高比不小于5的连梁在施工图设计文件中标注为LLK,梁纵向钢筋和箍筋加密区构造应如何处理?









知识点:剪力墙构造
0人已收藏
0人已打赏
免费2人已点赞
分享
建筑构造
返回版块7.65 万条内容 · 194 人订阅
阅读下一篇
惠州房屋抗震性鉴定的检测要求和内容房屋抗震性鉴定适用于接近或超过设计使用年限需要继续使用的房屋、原设计未考虑抗震设防或抗震设防要求提高的房屋、需要改变结构的用途和使用环境的房屋、其他有必要进行抗震鉴定的房屋。 房屋建筑有下列情形的,房屋建筑所有权人应当委托进行抗震鉴定; 1、达到设计使用年限需要继续使用的; 2、未采取抗震设防措施或者达不到现行抗震设防类别、烈度的; 3、进行结构改造或者改变使用用途可能影响抗震性能的;
回帖成功
经验值 +10
全部回复(0 )
只看楼主 我来说两句抢沙发