目前除国标《装配式建筑评价标准》中对装配率做了统一规定外,上海、江苏、北京、成都、深圳、湖南、湖北等省市也陆续出台了针对当地的预制率和装配率计算细则。但在纳入预制率(装配率)计算的构件范围以及各类构件预制率(装配率)的折算比例方面都有所差别。
以上海预制率和装配率计算细则为例,预制率是指混凝土结构、钢结构、钢-混凝土混合结构、木结构等结构类型的装配式建筑±0.000 以上主体结构和围护结构中预制构件部分的材料用量占对应构件材料总用量的比率。规范列出了两种计算方法
计算方法一:
预制率=预制混凝土构件体积/(预制混凝土构件体积+现浇混凝土体积)
计算方法二:
预制率=∑(构件权重×修正系数×预制构件比例)×100%
计算时需要注意以下几点:
1.上海地区计算范围为室外地坪以上,以每栋单体建筑为计算单元。
2.上海地区预制构件范围仅包含主体结构和外墙围护结构,幕墙、石材、石膏板等非混凝土预制构件不计入预制率,内墙填充墙不计入预制率。
3.方法一仅用于混凝土结构,方法二可用于混凝土结构、钢结构和木结构。混凝土结构的装配式住宅采用两种方法计算均可。
装配率是指装配式建筑中预制构件、建筑部品的数量(或面积)占同类构件或部品总数量(或面积)的比率。
建筑单体装配率 = 建筑单体预制率 + 部品装配率 + 其他
部品装配率 = ∑(部品权重 × 部品比例) ×100%
其中,“部品”指预制内隔墙、单元式幕墙、集成式厨房、集成式卫生间、集成管道井、集成排烟道。“其他”指结构与保温一体化、墙体与窗框一体化、集成式墙体、集成式楼板、组合成型钢筋制品。
常见的装配式结构体系有全预制剪力墙承重体系、预制剪力墙外墙模板体系、预制双面叠合剪力墙体系等。各体系的代表工艺及优缺点如下图所示。

装配式结构体系及特点

全预制剪力墙承重体系

预制剪力墙外墙模板体系

预制双面叠合剪力墙体系
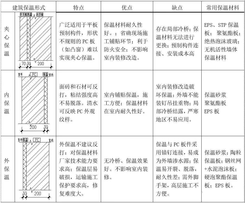
制约预制结构体系的因素主要有两个方面,一是建筑高度,按照现有规范的规定,不同结构体系的装配整体式房屋有最大适用高度限值。二是建筑保温形式,常见的保温形式有夹心保温、内保温和外保温,设计时应考虑各类保温形式的特点及使用材料进行选择。

装配整体式结构房屋的最大适用高度(m)

常见保温形式及特点
方案阶段:
方案阶段的PC专项设计主要有以下内容:
(1)根据各地政策和业主要求确定装配式建筑的面积比例和预制率
(2)选择预制结构体系
(3)确定预制构件类型和楼层范围
其中,在确定预制构件类型时,应注意剪力墙结构底部加强区不宜做预制、框支结构的转换梁和框支柱应现浇、高层的电梯井筒宜采用现浇结构。而在预制楼层的选择上,对于房屋的地下室楼层和屋面层,宜采用现浇楼盖结构;对于开洞过大的楼层、结构转换层,应采用现浇楼盖结构。
初步设计阶段:
初步设计阶段的PC专项设计主要有以下内容:
(1)PC结构设计说明
(2)预制构件平面分布图
(3)预制构件立面分布图
(4)典型墙身剖面图和连接详图
(5)相关计算书——包括夹心保温外墙面积计算和预制率计算

预制构件平面分布图示意

预制构件立面分布图示意
施工图设计阶段:
施工图阶段的PC专项设计主要有以下内容:
(1)编写PC结构施工设计总说明
(2)预制构件平面分布图——图纸中应区分现浇结构及预制结构,绘出预制结构构件的位置及定位尺寸;绘出预制结构构件型号或编号及详图索引号;标注较大构件的尺寸及重量及吊装距离最远的构件
(3)预制构件立面分布图,应表达一整栋建筑立面上的预制构件与现浇混凝土的范围以及预制构件的名称
(4)预制构件剖面图以表达建筑的预制构件墙身详图及节点详图索引
(5)预制构件公共详图——包括水平和竖向缝连接详图,夹心保温排水管设置详图,预制剪力墙水平和竖向连接详图,预制梯段板端部连接详图,夹心保温内外页板连接详图,预制墙施工用斜撑详图,预制外墙调标高详图、PC与现浇阴角模板施工详图,双向叠合板整体式接缝构造图等
(6)预制构件索引节点详图——包括凸窗与叠合梁的连接详图,PC墙的竖向和水平连接,阳台板与叠合梁的连接详图,转换层与PC构件的连接详图,阳台隔墙上下连接详图等
(7)PC计算书——包括预制率计算;预制夹心保温外墙面积计算;剪力墙水平接缝计算;预制构件正常使用阶段锚固验算;预制构件脱模和吊装阶段计算等

预制构件公共详图示意

预制构件索引节点详图示意
PC深化阶段:
PC深化设计阶段需要提供的设计成果主要有以下内容,相比施工图阶段的设计成果主要增加了最后5项内容:
(1)PC结构施工设计总说明
(2)预制构件平面分布图
(3)预制构件立面分布图
(4)墙身剖面图
(5)标准节点详图
(6)索引节点详图
(7)现场埋件分布图
(8)构件加工图
(9)预制构件装配图
(10)金属件加工图
(11) PC构件工程量统计清单
常见的连接件形式有FRP连接件、不锈钢连接件和灌浆套筒等,各连接件的作用和优缺点如下所示。


FRP连接件

不锈钢连接件

灌浆套筒
相比传统现浇住宅,装配式住宅因为材料、模板、运输、临时支撑等成本的增加,导致其结构造价偏高,且预制率越高造价增加越多。目前住宅常用的三种装配式结构体系相较于传统现浇结构每平米增加的造价可参考下表。表中数值来自2016~2017年的多个住宅项目的统计,随着装配式住宅的普及,相信未来结构造价将呈不断降低的趋势。

装配式住宅造价增加参考表
内容源于网络,如有侵权,请联系删除
相关资料推荐:
知识点:装配式住宅结构设计要点
0人已收藏
0人已打赏
免费6人已点赞
分享
混凝土结构
返回版块140.17 万条内容 · 2216 人订阅
回帖成功
经验值 +10
全部回复(0 )
只看楼主 我来说两句抢沙发