钢框架连接节点抗震验算的要求,一是弹性等强;二是“连接的极限承载力应大于构件的屈服承载力”,两者的比值≥连接系数
。连接节点抗震验算反映的是连接(焊接或螺栓连接)与构件的相对强弱,要求达到“强连接弱构件”。除柱拼接和柱脚验算时需要考虑轴力设计值的影响外,其它连接的抗震验算只与构件的材质和规格有关,与构件的内力设计值无关。
《抗规》中给出了各种连接的极限承载力验算公式:


蓝色箭头所指为连接的极限承载力,绿色箭头所指为构件的屈服承载力。
《高钢规》中给出了极限承载力和屈服承载力的具体计算方法。但发现有几个问题有必要进行探讨。
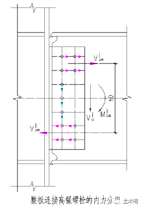
一、梁柱刚性连接中腹板高强螺栓连接的极限承载力验算
验算公式如下:


公式(8.2.1)体现了“强连接弱构件”,公式(8.2.4)是连接的极限承载力的计算式。有几个概念说明如下。
1.连接的极限承载力控制值计算式和连接的极限承载力计算式的区别:
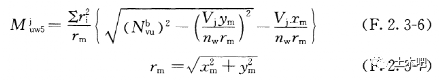
公式(8.2.4-2)和(8.2.4-3),文字标题是“…连接的极限受弯承载力”,但公式中并没有与连接(焊缝或螺栓)有关的任何参数。也就是说,该公式并不是“连接的极限受弯承载力计算式”,而是尚待设计的“连接的极限受弯承载力控制值的计算式”。求得该控制值后,才能验算螺栓或焊缝的极限承载力。《高钢规》除了在附录F中给出梁腹板螺栓拼接的极限承载力验算公式(下图)外,未给出其它连接的极限承载力验算公式。

分清连接的极限承载力控制值计算式和连接的极限承载力计算式,有助于理清计算步骤,尤其避免遗漏对连接板与柱翼缘之间焊缝的验算。
参见下图,梁柱刚性连接中腹板高强螺栓连接的极限受弯承载力计算式为:


2.腹板连接的极限受弯承载力公式(8.4.2-3)不成立:
该式左边是腹板连接的极限受弯承载力,右边是连接板(或梁腹板)的屈服承载力,二者不应该是等号,而是应将右边乘以连接系数,即下式:

3.腹板螺栓连接极限受剪承载力验算公式(8.2.5-1)和(8.2.5-1)不协调:

公式(8.2.5-1)左边是由腹板连接的极限受弯承载力控制值
求得的水平极限受剪承载力控制值
,再乘以连接系数
;
公式(8.2.5-2)左边是腹板连接的竖向极限受剪承载力控制值
,未乘
。
同样是极限受剪承载力,一个乘连接系数
一个不乘,不协调一致。
而且,公式(8.2.5-1)左边的
是连接的极限受弯承载力对应的连接的极限受剪承载力,连接对连接,为啥要乘以连接系数
呢?
推导如下:

此式与(8.2.5-1)相比,左边没有连接系数。
4.总结:
《高钢规》公式(8.2.4-3)右边应乘以连接系数
,改为:


公式(8.2.5-1)左边应删去连接系数
,改为:

即:

公式(8.2.5-1)和(8.2.5-1)左边都没有连接系数,协调一致。
二、外包式柱脚极限受弯承载力验算时纵筋强度的取值
1.短柱纵筋配筋量太大:
外包式柱脚普遍反应短柱纵筋配筋量太大。可参见公众号 “从钢结构到装配式钢结构建筑”的文章《外包式柱脚,你还好吗?》 。下图摘自该文:柱脚短柱截面为1100x1100,纵筋56Φ50,配筋率达到9.08%:

抛开别的不说,纵筋净距不足18mm就是极其行不通的。若按纵筋最小净距50mm估算,短柱截面最少需要1550x1550。实际上,考虑钢柱安装时锚栓螺母的施拧空间,钢筋净距以150mm左右为宜,则短柱截面将更大。施工中曾经有这样的情况,因短柱纵筋太密集无法拧紧柱脚螺母,不得不将纵筋截断,这是不能允许的。
本人经手算与软件计算对比,发现配筋量的差别主要在于
的取值。
按极限强度取值和还是按屈服强度取值,配筋量相差较大,见下表:
钢筋牌号 |
屈服强度标准值
|
极限强度标准值
|
|
HRB335 |
335 |
455 |
1.36 |
HRB400 |
400 |
540 |
1.35 |
HRB500 |
500 |
630 |
1.26 |
下图摘自《高钢规》 。由绿色箭头所指的注释可见,
表示的是“钢筋的抗拉强度最小值”。

再由《高钢规》表4.2.1可见,钢材的抗拉强度最小值就是
,即钢材的极限抗拉强度。

可见,公式(8.6.3-5)中
应按钢筋的“极限强度标准值”取值。但有人认为,在《混凝土结构设计规范》的符号注释中,
表示的是钢筋屈服强度标准值,所以应按“屈服强度标准值”取值。

2. 建议:
外包式柱脚极限受弯承载力验算时,钢筋混凝土短柱纵筋的强度按“极限强度标准值”取值。确定短柱截面尺寸和进行纵筋排布时,要充分考虑钢柱安装时拧紧地脚锚栓的施工操作空间,杜绝不得已截断纵筋的现象。
相关资料推荐:
知识点:抗震验算公式
0人已收藏
0人已打赏
免费4人已点赞
分享
结构资料库
返回版块41.29 万条内容 · 424 人订阅
阅读下一篇
既有建筑抗震承载力验算方法对比2009年7月1日《建筑抗震鉴定标准》GB50023-2009颁布至今已实施多年,规范的实施为既有结构的抗震鉴定和加固提供了依据和方法支撑。在国内的历次地震中,进行抗震鉴定加固的建筑也表现出良好的抗震性能。然而,技术人员对抗震鉴定、抗震加固及其之间的关联认识仍然不够,大部分抗震鉴定人员未从事或了解过抗震加固过程,导致抗震鉴定后的加固工作量较大,甚至会带来适得其反的效果。本文针对建筑抗震承载力的验算的方法进行比对,探讨计算方法的合理性。
回帖成功
经验值 +10
全部回复(0 )
只看楼主 我来说两句抢沙发