土木在线论坛 \ 电气工程 \ 成套电气设备 \ 照明标准值及照明功率密度限值神表

照明标准值及照明功率密度限值神表

发布于:2022-08-30 16:27:30 来自:电气工程/成套电气设备 [复制转发]

知识点:照明功率密度

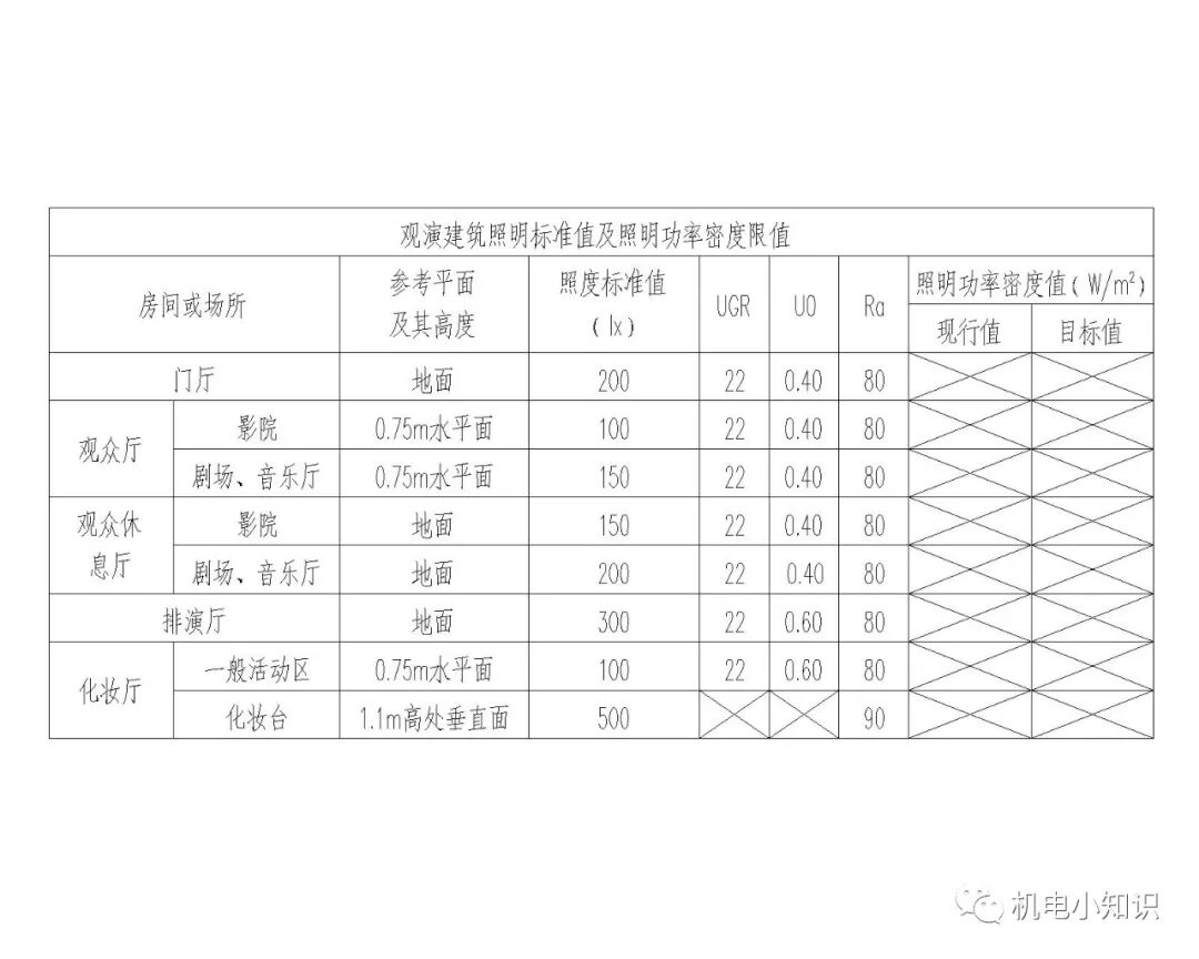
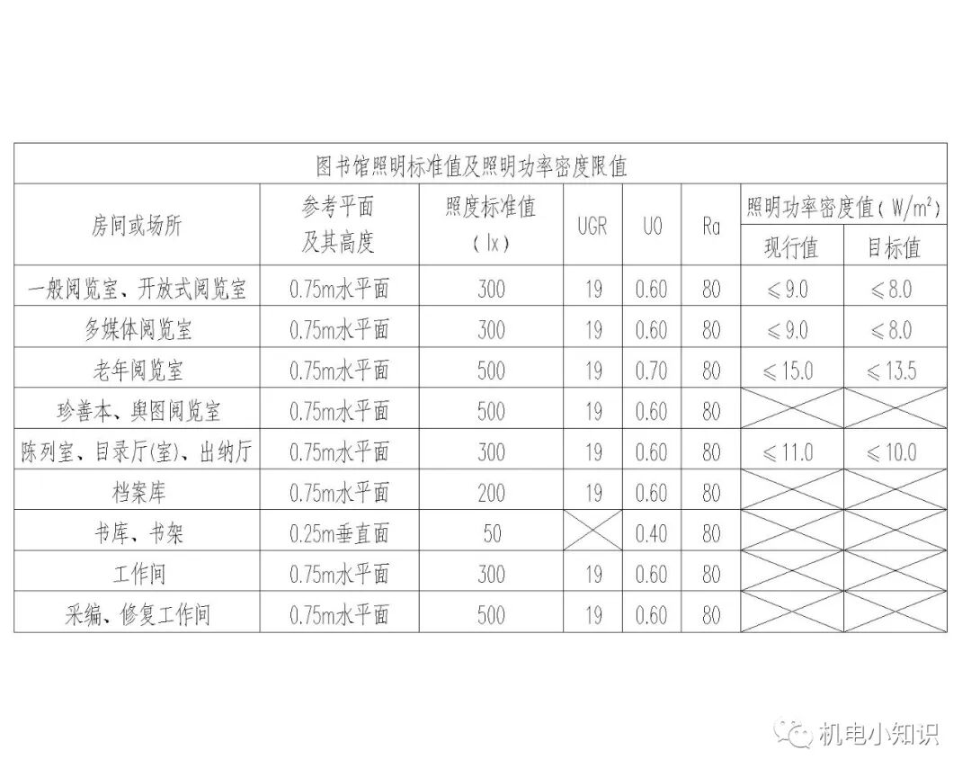
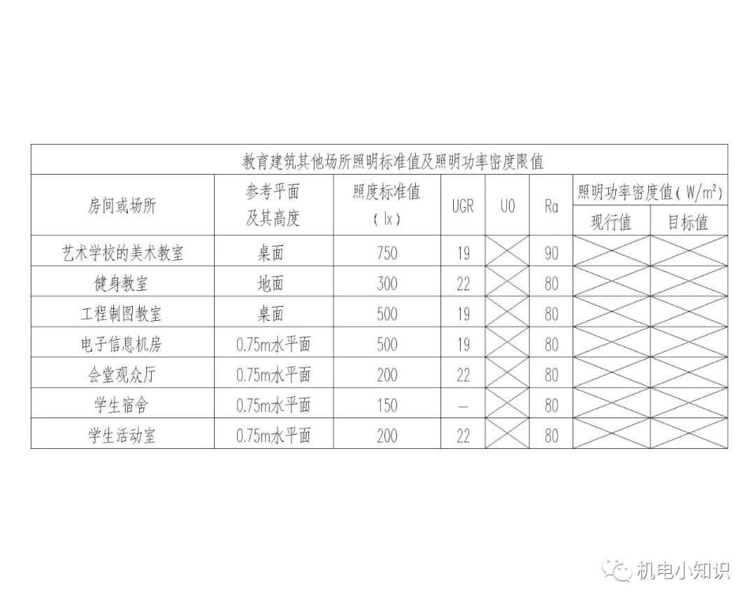
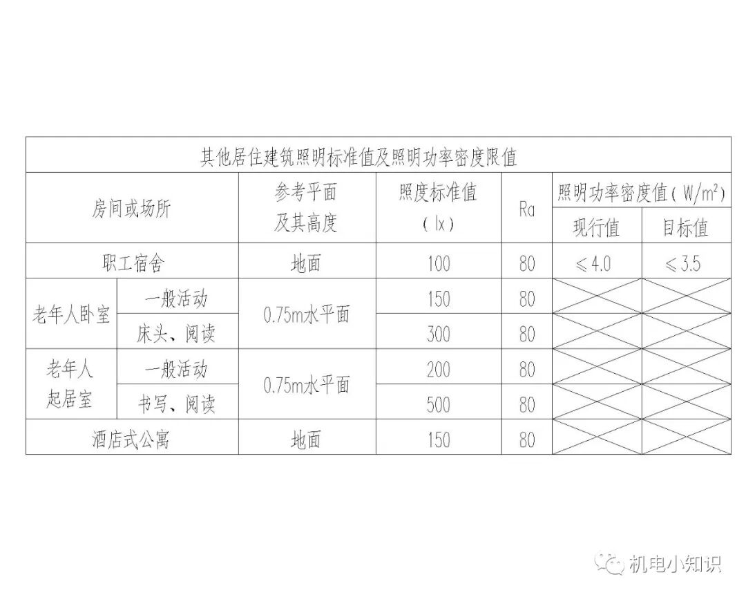
 作为一名在设计院工作的电气设计师,做照明设计的时候,难免经常会翻阅《建筑照明设计标准》GB50034-2013,但是规范照明标准值及照明功率密度是在不同的章节,翻阅起来难免不便。本文特地整理了下,将二个章节合二为一,做成了一个表格。

图片

图片

图片

图片

图片

图片

图片

图片

图片

图片

图片

图片

图片

图片

图片

图片

图片

图片

图片

图片



相关推荐链接:

1、附表13 居住建筑照明功率密度、照明和显色指数

2、照明功率密度速查表


  • 黑面书生
    黑面书生 沙发

    楼主真是辛苦了!感谢分享!

    2022-08-30 16:33:30

    回复 举报
    赞同0
这个家伙什么也没有留下。。。

成套电气设备

返回版块

15.97 万条内容 · 619 人订阅

猜你喜欢

阅读下一篇

景观照明看这里!

知识点:景观照明 一、景观照明产业链 景观照明:根据《城市夜景照明设计规范》(JGJ/T163-2008)的定义,景观照明泛指除体育场场地、建筑工地和道路照明等功能性照明以外,所有室外公共活动空间或景物的夜间景观的照明,亦称夜景照明景观照明的发展,带动了照明行业专业设计、施工、户外厂商的业绩提升,成为照明行业在大环境不景气情况下的重要增长点。 按应用场景区分:大致为道路景观照明、城市综合体景观照明、园林景观照明、建筑景观照明、表演型景观照明等。

回帖成功

经验值 +10