知识点:并联电抗器
天对地,雨对风,大陆对长空,平平仄仄平平仄,仄仄平平仄仄平,古诗讲究对仗。正对负,阴对阳,时域对频域,融解对凝固,科学和工程中也有很多对称关系。电力设备中也有,比如串补和并抗,串对并、容对感,完全符合对称要求。前者在《柔性交流输电技术之串联补偿
》一文中有过介绍,今天就聊聊它的对子-并联电抗器之一:磁控型可控并联电抗器。
一、为什么要用并联电抗器?
大家如果去到电压等级高一些的变电站,总能看到貌似变压器的一类设备,分相布置、也有冷却系统和防火墙,就是个头小一些,如下图所示:

这就是并联电抗器(Shunt Reactor),安装在线路末端和大地之间。众所周知,由于电机类负荷和变压器的原因,电力系统是个感性系统,为什么还要并接一个感性元件,这不是额外增加了系统的负担吗?先解释下这个问题。
电力系统的复杂性之一是网络参数的分散性,存在分布电容、分布电感等。如下图所示:
分布电容对应容性无功消耗,分布电感对应感性无功消耗,如下图:
Pn即为自然功率。当输送功率等于自然功率时,对地分布电容发出的感性无功(消耗的容性无功)与线路分布电感消耗的感性无功抵消,就地平衡。线路上各点电压均相等,视在功率等于有功功率,此为理想情况。
线路空载或轻载时,输送功率小于自然功率,容性无功大于感性无功,发电机进相运行。忽略线路电阻之后的矢量图如下,此时线路中流过容性电流(Ic),相量Us为线路始端电压,Uc为线路末端电压,相量Ul为线路上压降。
忽略电阻,线路看作电感,故Ul超前Ic90度,与Us反相,于是线路末端电压Uc升高。由于公众号不能编辑公式,相量上的点搞不上去,大家将就着看吧。如果考虑电阻,矢量图变为:
于是,线路空载或轻载情况下,出现线路末端电压抬升的现象,即为容升效应。引入并联电抗器的目的就是补偿容性无功、抑制容升效应,避免工频过电压。标准是这样规定的:
如在正常及检修(送变电单一元件)运行方式下发生故障或任一处无故障三相跳闸时,需采取措施限制母线侧及线路侧的工频过电压在最高运行电压的1.3倍及1.4倍额定值以下,应装设高压并联电抗器[1]。
除此之外,并联高抗还可以起到抑制潜供电流的作用:为保证线路瞬时性单相故障时单相重合成功,如需采用高压并联电抗器并带中性点小电抗作为解决潜供电流的措施时,应装设高压并联电抗器
[1]。下图为中性点小电抗:

并联电抗器的英文简称是SC,即Shunt Rector的缩写,不是
Parallel Reactor,切记。变电站内,用于无功补偿的还有一类电抗器,串联电抗器,串联于并联电容器回路,如下图
[2]:
串联电抗器的英文是
Series Reactor,缩写也是SR。以后碰到注意下,不要搞混了。
传统的并联电抗器的电感值多为固定值。线路空载、轻载时,并联电抗器可以抑制工频过电压。如果线路正常带负载甚至过载时,固定电感值的电抗器就变成了负担,需要电源输出额外的无功功率,影响了线路的输电能力。限制工频过电压和无功补偿,对于并联高抗来说,就是一对矛盾,鱼和熊掌不可兼得。近年来,随着可再生能源发电占比逐渐增加,线路潮流变化随之加剧,矛盾愈发明显,亟待解决,有没有办法呢?
1. 加装断路器,通过“空/轻载时闭合,正常负载时断开”的控制策略来解决这个问题。很遗憾,标准不支持:线路并联电抗器回路不宜安装断路器或负荷开关
[3]
。或许因为,这样的控制策略看似理想,实则会对系统的正常运行、故障处理等工况下的系统可靠性带来隐患。
2.采用可控并联抗器,Controlled Shunt Reactor,CSR。CSR并联连接于系统,电抗值可以在线改变的并联无功补偿成套装置,主要有电抗器本体、励磁系统和控制保护系统等部分组成
[4]
。CSR可以根据系统运行情况,实时、可靠的对自身电感值进行调节,以适应不同负荷状态下的要求,有效解决长距离线路限制过电压(轻载)和无功补偿(重载)之间的矛盾问题,同时将其作为一种无功补偿手段,实现对系统的柔性控制。
3.简化无功电压控制措施,施贤无功功率动态补偿,提高输电能力;
根据工作原理的不同,可控并联电抗器可分为高阻抗变压器分级式、磁控式两种形式。
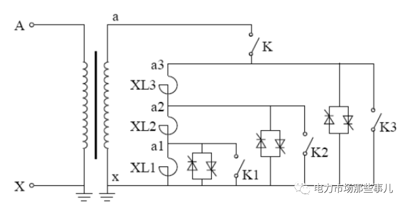
1.高阻抗变压器分级式,Stepped Controllable Shunt Reactor,SCSR
SCSR 基于高阻抗变压器原理,将普通变压器做成100%的高阻抗,并将高阻抗电抗通过抽头分成N份,每一等份电抗由双向晶闸管和断路器并联组成的复合开关控制投入和切除。下面以N=3为例介绍SCSR的结构及工作原理
[5]。
应用于超/ 特高压输电线路的SCSR 三相为3 个单相变压器型的电抗器,高压侧三相绕组采用星型接线,中性点直接接地(可根据需要装设中性点小电抗)。低压侧采用星型接线,高阻抗电抗分成3份,对应控制100%、75%、50%、25%共4组输出容量,以实现容量调节,低压侧中性点直接接地。SCSR 的单相结构如下图所示:
图1 中XL1、XL2、XL3 为低压侧电抗,由并接其两侧的双向晶闸管及断路器控制其投退。当设备运行时调解输出容量,需要退出相应电抗时,双向晶闸管快速导通,将相应电抗旁路。双向晶闸管导通后并接其两端的旁路断路器合闸,承担回路长期短路电流,双向晶闸管退出运行。
2.
磁控式,Magnetically Controlled Shunt Reactor,MCSR
MCSR是通过改变铁心饱和程度来实现电抗值调节的并联电抗器
[4]
,饱和度越大,电感值越低。
MCSR由本体、整流/滤波、控制保护三部分构成,其中本体部分是电磁环节,包括网侧绕组和控制绕组。整流器可由外加电源或自身辅助绕组供电。


LA1~LC2为网侧绕组,星型接线。La1~LC2为控制绕组(励磁绕组),其中La1、Lb1、Lc1和La2、Lb2、Lc2连成两个方向相反的开口三角,开口处接入整理器RF的输出端。Ka1、Kb1、Kc1和Ka2、Kb2、Kc2分别构成三相联动开关K1、K2,并联在相应的控制绕组两端。
利用铁心磁材料的饱和特性,通过整流器向控制绕组注入直流励磁改变其磁饱和度,进而改变等效磁导率,从而平滑的改变电抗值和容量。根据整流器输出和旁路开关状态,MCSR的运行模式分为以下四种:
(1).2个旁路开关均断开、整流器退出
控制绕组开路,此时MCSR电抗值最大,容量最小,通常为额定容量的2%以下,记作Smin。
(2).2个旁路开关均闭合、整流器退出
控制绕组被短路,此时MCSR电抗值最小,容量最大,可以超过额定值,记作Smax。
(3).1个旁路开关闭合、1个旁路开关断开、整流器退出
此时MCSR的容量为最大容量值的一半,Smax/2。
(4).2个旁路开关均断开、整流器工作
该模式,通过整流器向控制绕组注入直流电流,在控制绕组回路中产生等幅反向的直流偏置磁通,进而对网侧绕组葫芦的交流磁通分别形成正向和反向偏置,使得两铁心柱(分别对应绕组LA1和LA2,以A相为例)在交流磁通的正、负半轴轮流导通。通过调节注入控制绕组的直流电流的大小,可以控制铁心的饱和度,进而调节MCSR的输出容量。

一方面,MCSR可以通过改变旁路开关在Smin、Smax/2、Smax之间实现容量的分级调节,用于系统暂态控制场合。另一方面,MCSR可以通过调整注入励磁绕组直流电流的大小实现从Smin到Smax的连续调节,此为MCSR的主要运行模式,调节速度快、调节精度高,也是MCSR相较SCSR的最大优势。此外,MCSR还具有谐波含量小、稳态控制特性好的性能特点,为我国的特高压、超高压电网的电压、无功控制提供了有益的技术手段,拥有广阔的应用前景[6]。
MCSR最早由前苏联学者开始研究,时间在上世纪70年代,已有多套工程应用案例。
我国首个MCSR的工程在±500kV江城直流(三广直流)的江陵换流站,应用于峡江II线,2007年投入使用,如下图所示。

鱼卡750千伏开关站,位于海西蒙古自治州大柴旦行委以南8公里处,是新疆与西北主网联网第二通道输变电工程组成部分。同时接入海西风光基地的电力,潮流多变,因此安装了一套MCSR。

相关推荐链接:
1、并联电抗器的选择及保护装置的配置
2、DLT 242-2012 高压并联电抗器保护装置通用技术条件
全部回复(0 )
只看楼主 我来说两句抢沙发