知识点:变流量系统
来源:网络,如有侵权,请联系删除
一次泵冷水变流量系统具有初投资小,节省制冷机房占地面积和降低运行费用的优点,但也有机组启停控制、旁通阀最小流量控制较复杂,机组启停时会造成供水温度波动的缺点。
这种系统适用于至少有 30%以上水流量变化、空调房间的温度控制允许冷水供水温度有少量变化(如舒适性空调系统)的变流量水系统。为了充分发挥这种水系统节能的潜力,正确设计水系统是十分重要的。
在机组选型时,在满足负荷调节需要的前提下,尽可能选用规格型号一样的水冷螺杆式或离心式冷水机组,便于系统控制和各机组能够均衡出力。在不降低机组能效比的情况下,蒸发器允许的最小冷水流量尽可能低,最好能达到设计流量的 40%-60%,这样一方面可以扩大流量的变化范围,提高节能潜力,另一方面可以增强机组在启停时对流量波动的适用性。
一次泵变流量系统的机组启停时会产生较大的水流波动,这是由于一次变流量水系统的总水流量是由末端盘管的用水量决定的,当加载的冷机组隔离阀打开时,系统流量不会马上增加,要从正在运行的机组中分流出一部分流量,如果正在运行的机组蒸发器水流量由于分流作用而降到允许的水流量以下,就会造成机组保护性停机。可能产生的最大水流波动如表 1 所示。

除了以上需要考虑的因素外,还要了解制冷机组蒸发器冷水流量的变化率,这对机组冷水供水温度的稳定性及机组运行稳定性有较大影响。一般建议冷水流量变化率每分钟在 2%~30%以内,这与制冷机组的类型、控制及水在系统内周转时间有关[8]。
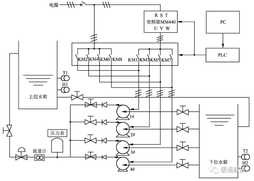
水泵与冷水机组的联接有水泵与冷水机组串联“一机对一泵”的布置型式和水泵通过集管并联以后再与冷水机组联接的互为备用的布置型式(如图 3)。对于一次泵变流量系统宜优先考虑采用后者,这主要是由于在冷水变流量运行时,盘管的传热特性决定了冷量与水流量变化的非线性关系(如图 4),如水流量变化到设计流量的 50%,盘管还能提供盘管额定冷量的 75%。
因此可知,冷水机组的运行台数与水流量之间没有对应关系。采用图 3 所示的水泵与冷水机组的联接方式,可以实现在开一台冷水机组时,开二台水泵的运行方式,有助于解决在部分负荷时的“小温差”问题和水流量与供冷量之间不匹配问题。

一次泵变流量系统的旁通阀和旁通管是为了防止蒸发器水流量低于允许的最小流量而设置的,从理论上来说,旁通管可以设在制冷机房供、回水干管(或集、分水器)之间,也可设在供水末端的供、回水干管之间。采用前一种方式旁通阀的承压大,调节性能较差,但控制线路敷设简便,而后一种方式情况刚好相反。旁通管的管径按最大的冷水机组允许的最小水流量来设计。
旁通阀的选择要考虑工作压力有较大范围的变化时的调节性能,选择阀杆行程与流量尽可能成线性的调节阀。普通电动蝶阀不能满足这种调节性能的要求。旁通阀可按旁通管管径小一号来选型,这样不仅节省了初投资,而且增大了阀权度,调节性能也会有所改善。
通过检测冷水机组蒸发器水流量来控制旁通阀的开度,流量计可以如图 3 所示那样设在冷水机组的进水干管上,也可以在每台冷水机组的蒸发器水侧进出口设置一只压差传感器,根据制造厂家提供的蒸发器水侧压差与流量的关系,可以确定每一台冷水机组的冷水流量,这可给控制带来更多的灵活性,同时也节省了初投资。
一次泵变流量系统每台冷水机组出水管上需要安装隔离阀,当采用如图 3 所示的水泵与冷水机组联接型式时,当冷水机组停止运行时,隔离阀可以起到切断水流通路的作用(这和以往在冷水机组水侧管路加装电动阀的作用是一致的),在一次泵变流量系统中隔离阀还有更重要的作用,即在加载机组时缓慢(约 2~3 分钟)开启隔离阀减小水流波动对正在运行机组的影响。为了实现这个目的,要选择开启时间长的电动隔离阀。
变流量系统末端盘管调节阀在使用时压差和流量均发生变化,如果调节阀口径选小了,不能达到最大工作流量Qmax,选大了,经常小开度工作,调节性能差,寿命短;如果阀门闭合最大允许压差△Pmax小于工作压差,将会造成阀关不死,打不开;可调节范围R小了,不能满足流量变化范围。
在调节阀选型时,要确定末端盘管的最大工作流量Qmax、最小工作流量Qmin,根据调节稳定性、经济性以及运行能耗综合考虑,确定阀权度S(一般取 0.1~0.3[10]),计算阀门在Qmax时的工作压差,然后再求出Qmax时的流量系数Kvmax,再根据Kvmax值及产品样本,选取大于Kvmax值且与其接近一档的Kv值对应的口径,从而初步确定调节阀的口径,最后还需做相关的验算,验证所选的阀门能否满足工作要求。

推荐资料:
https://ziliao.co188.com/p35199340.html
0人已收藏
0人已打赏
免费0人已点赞
分享
制冷技术
返回版块14.67 万条内容 · 883 人订阅
阅读下一篇
一次泵冷水变流量系统的控制策略知识点:一次泵 来源:网络,如有侵权,请联系删除 一次泵冷水变流量系统控制包括根据设定温度对末端盘管水侧流量调节、根据冷水机组最小允许流量对旁通阀进行流量调节、根据最不利环路末端供水压力的设定值对一次泵进行工作水泵台数和流量调节、根据系统需要制冷量确定所需冷水机组的运行台数以及相关冷却水泵和冷却塔的控制。 一次泵变流量系统的旁通管与传统意义的旁通管的作用不同,前者是为了保证冷水机组蒸发器水流量高于最小允许流量以上运行,旁通阀是常闭的,当流量计检测到冷水机组蒸发器水流量低于最小允许流量时才打开,旁通阀的开启速度要慢,否则会影响一冷泵流量的控制。
回帖成功
经验值 +10
全部回复(0 )
只看楼主 我来说两句抢沙发