无论是化工废水处理,还是城市污水处理,对于含油废水,生化系统都是很难处理的。因此,有必要增加隔油设施,最简单的隔油设施就是隔油柜,今天对隔油柜的设计计算做一个简单的说明。

隔油池原理图
计算如下:
无论是化学废水上游设备中的含油污水还是市政食堂中的含油污水和市政污水中的餐厅,都应通过脱脂装置的后部排入污水管道。
油分离器的设计应符合下列要求:
1、污水流量应根据设计的二次流量进行计算;
2、储罐内含食用油废水的流量不应大于0.005m/s;
3、含食用油污水在池内停留时间为2×10 min;
4、有效体积V = 60Qt(Q是最大设计第二流量);
5、手动除油的隔油池中的油部分体积不得小于隔油池有效容积的25%。
6、隔油池应设有活动盖板,应考虑清除进口管道的可能性;
7、从出口管底部至液舱底部的深度不得小於0.6m。
国标图中有四种隔油池,它们是根据污水设计的二次流量来选择的,不考虑罐顶的通过。隔油器选型数据取自国家建筑标准设计图集“小型排水结构”04S519。各油分离器所携带污水的最大设计二次流量应在0.01L/s~4.80L/s之间。
实际用水量的确定一般根据以下原则确定(例如,仅城市污水):
(一)餐厅、餐厅、大排档、西餐、粥面店、甜食店等对外开放的餐厅。
按0.16立方米/块计算·乘以,每天10小时(约每餐3至3.5小时)。例如,如果一家餐厅一天总共有200个座位和3餐,它的每日水量是0.16×200×3=96m3/天。每小时的水量是96m3/天÷10=9.6m3/h。
(二)企业职工食堂按0.05m3/人、每天10小时计算。如果食堂供应三餐,工人人数为100人,则水处理量为0.05x100x3/10=1.5m3/h。必须注意的是,选择处理工艺和设备的设计水量是根据上述实际水量乘以1.2至1.5的系数。
说明:
集水管一般由直径200~300的钢管组成,沿管道一侧的管壁长度打开弧度为60°或90°。收集管可绕轴旋转。排油时,将集输管道的开槽方向转到水平以下,收集浮油,将浮油输出到池外。为了及时抽油除沙,还应在大型油选机上安装刮泥机。为了减小刮板对水流的影响,刮板在油水池中的运动速度应与水池中的相似。在桶中收集的污泥是由水箱底部的污泥管在静水压力下排放的。油分离器底部的结构与沉淀池的结构相同。

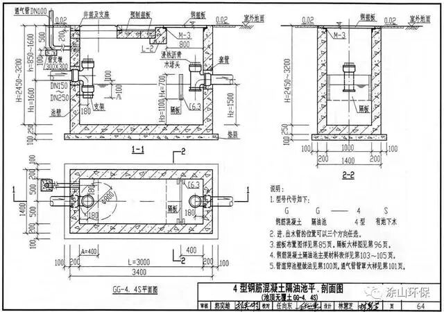
隔油池尺寸参考

隔油池图集1

隔油池图集2

隔油池图集3

隔油池图集4
内容源于网络,如有侵权,请联系删除
相关资料推荐:
https://ziliao.co188.com/d43682439.html
知识点:隔油池计算方法
0人已收藏
0人已打赏
免费6人已点赞
分享
中水处理回用
返回版块9852 条内容 · 214 人订阅
阅读下一篇
整套污水处理厂设计计算书,设计人员必须收藏!一、粗格栅 1.设计流量 a.日平均流量 Qd=30000m3/d≈1250m3/h=0.347m3/s=347L/s Kz取1.40 b. 最大日流量 Qmax=Kz·Qd=1.40×30000m3/d=42000 m3/d =1750m3/h=0.486m3/s 2.栅条的间隙数(n) 设:栅前水深h=0.8m,过栅流速v=0.9m/s,格栅条间隙宽度b=0.02m,格栅倾角α=60°
回帖成功
经验值 +10
全部回复(0 )
只看楼主 我来说两句抢沙发