知识点:电动控制电路
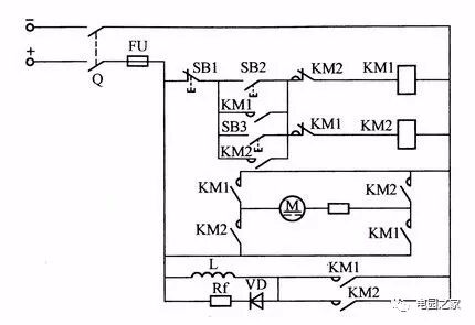
1.改变直流电动机电枢电压极性实现正反转启动电路
如下图所示为改变直流电动机电枢电压极性实现电动机正反转的启动电路接线图。图中KM1、KM2为正反转接触器,Rf为放电电阻,SB2为正转起动按钮,SB3为反转起动按钮,SB1为停止按钮。

改变直流电动机电枢电压极性实现正反转启动电路
正转起动:合上电源开关Q,按下起动按钮SB2, KM1线圈得电并自锁,主触点闭合,接通电枢回路,电动机正向起动并运行。另外,由于在KM1通电时,其串联在KM2线圈电路中的常闭触点断开,使KM2不能得电,起到互锁作用。
反转起动:若在合上电源开关Q后,再按下起动按钮SB3,KM2线圈得电并自锁,主触点闭合,反向接通电枢回路,电动机反向起动并运行。另外,KM2串联在KM1线圈电路中的常闭触点断开,使KM2不能得电,起到互锁作用。
电动机停转:只需按下停止按钮SB1,KM1 (或KM2)断电,主触点切断电动机电枢电源,电动机停转。
为了防止过电压损坏电动机,在励磁回路中接有放电电阻Rf,其阻值一般为励磁绕组电阻的5~8倍。
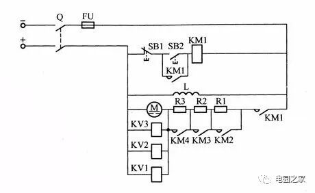
2.按速度\电流\时间原则切除直流电动机启动电阻的电路接线图
为了限制直流电动机的起动电流,往往采用串联起动电阻的方法来控制电动机的起动过程,随着起动过程的进行,电流逐渐减小,逐段切除起动电阻,直至起动电阻全部切除,起动结束,电动机正常运行。对起动电阻的切除控制,既可以按速度原则进行,也可按时间原则,还可以按电流原则来控制。下图是以三种不同的控制方式控制电动机起动控制电路。

按速度原则切除启动电阻控制直流电动机起动的电路
按速度原则切除启动电阻控制直流电动机起动的电路。图中KM1为电枢电源接触器,KM2、KM3、KM4为起动接触器。其工作原理是:合上电源开关Q,励磁绕组得电,按下起动按钮SB2,接触器KM1得电吸合并自锁,电动机电枢串入全部电阻开始起动。随着转速的上升,反电动势增大,电枢两端的电压逐渐增高,使起动接触器KM2、KM3、KM4按顺序依次动作,把Rl、R2、R3三个电阻逐个短接。电压继电器KV1、KV2、KV3可根据实 际直流电动机电压需要整定不同的吸合电压,要求满足三者吸 合电压为:
UKV1 KV2 KV3。再用 KV1、KV2、KV3去控制起动接触器KM2、KM3、KM4,实现电阻的逐个短接。当所有电阻被短接后,电动机就从起动过程过渡到正常运行过程。

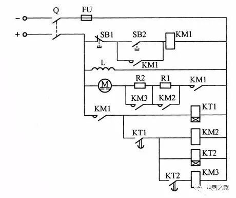
按时间原则切除启动电阻控制直流电动机起动的电路
按时间原则切除启动电阻控制直流电动机起动的电路。以时间继电器KT1、KT2来控制起动电阻的切除。合上电源开关,按下起动按钮SB2,接触器KM1得电吸合并自锁,使电动机电枢串入全部电阻起动。而时间继电器KT1也同时得电动作,其常开延时闭合触点经延时一定时间后闭合,使KM2得电吸合,并使R1被短接,电动机加速起动,这时时间继电器KT2也得电动作,经一定时间延时,其常开延时闭合触点闭合,使KM3得电,又将R2短接。这样,起动电动机起动过程结束,转入正常运转。

按电流原则切除启动电阻控制直流电动机起动的电路
按电流原则切除启动电阻控制直流电动机起动的电路。当合上电源开关Q,按下起动按钮SB2时,接触器KM1得电吸合并自锁,其主触点闭合,电动机电枢回路串人电阻R起动,同时使欠电流继电器KA动作,其常闭触点断开。当电动机转速升高使电流下降,KA释放,其常闭触点闭合,KM2得电吸合,其常开触点闭合,把电阻R短接,电动机在额定电压下正常运转。采用时间继电器KT是为了防止起动开始时,电阻R被KM2短接。
3.串励直流电动机刀开关正反转控制电路接线图
下图为串励直流电动机刀开关可逆控制电路。图中Q为双刀双掷开关,通过Q可改变电枢绕组的电流方向,从而在接通直流电源后改变电动机的方向。切换刀开关时,电动机由于只改变电枢绕组的电流方向,而励磁绕组的电流方向始终不变,因此电动机的方向改变。这种电路可用在电瓶车上。

串励直流电动机刀开关正反转控制电路接线图
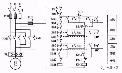
4.电动机多地正反转启动、停止、点动控制电路接线图
如下图所示为多地可逆起动、停止、点动控制电路。图中各地的SB1为停止按钮,SB2为正向点动按钮,SB3为正向起动按钮,SB4、SB5为反向起动按钮。

电动机多地正反转启动、停止、点动控制电路接线图
电路具有正反向起动按钮互锁,接触器辅助触点正反向互锁功能。
该电路具有各控制点按钮组间的连线少(只需三根连线),线路简单,成本低等优点。尤其在控制点较多时,其优越性更为明显。
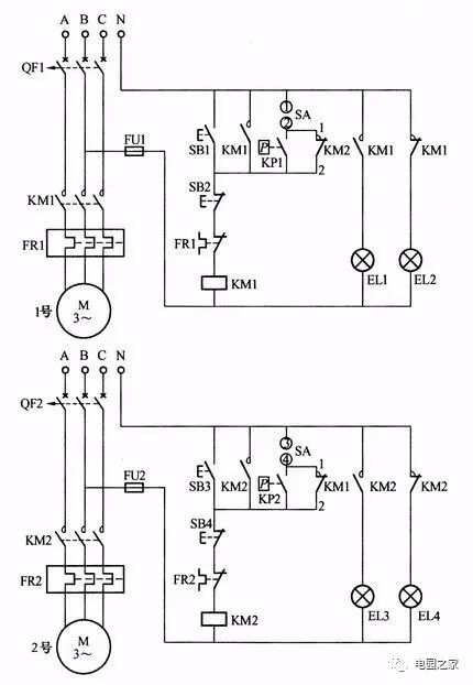
5.双电动机自动切换运行控制电路接线图
在炼油及化工生产中,常有一些大机组的辅助液压泵靠互为备用的两台电动机拖动,以保证大机组润滑系统在一定的油压下正常运行,从而保证大机组的平稳运行,其控制电路如下图所示。

双电动机自动切换运行控制电路接线图
若以电动机M1为工作电机,M2为备用电机,当合上断路器QF1,按下起动按钮SB1时,接触器KM1得电吸合并自锁,电动机Ml开始起动运转,同时KM1的辅助常开触点闭合,使运行指示灯EL1亮,KM1的辅助常闭触点断开,使停止运行指示灯EI2灭。另外KM1的辅助常闭触点KM1(1-2)断开,使接触器KM2不能得电,实现互锁控制。此时将转换开关SA由0位置于Ml工作,M2备用位置,见图表。SA的触点SA(①-②)断开,SA(③-④)接通,为M2自动起动做好准备。当M1因故障停机(也可手动操作停机)时,KM1的辅助触点断开运行指示灯ELI,接通停止指示灯E12,同时KM1的另一对辅助触点KM1 (1-2)闭合,电流经SA的(③-④)、KM1(1 -2)、SB4、KM2线圈、FR2形成电流回路,使KM2得电吸合并自锁,M2电动机得电自动起动,相应指示灯EL3亮,EI4灭。此时,查找并排除Ml故障,再将转换开关SA置于M2工作,Ml备用位置,SA的(③-④)断开,(①-②)接通,为M1自动起动做好准备。

转换控制开关SA触点表
电路中的两个压力继电器触点KP1、KP2的作用为:①当运行的电动机因故停止后,管路油压开始下降,若此时接触器KM1或KM2的常开触点因接触不良等原因而不能使备用电动机自起动,则当油压下降到其整定值时,KP1或KP2接通,使备用电动机自动起动,从而保证大机组润滑系统的正常运行;②当一台电动机运行时,由于某种原因管路油压降低到整定值时,KP1或KP2闭合,使备用电动机自动起动,这时两台电动机同时运行,增加出力,待油压正常后,将SA置于零位,再手动停止一台电动机。最后将SA置于相应位置,以便备用电动机能自动起动。
相关推荐链接:
0人已收藏
0人已打赏
免费1人已点赞
分享
成套电气设备
返回版块15.97 万条内容 · 619 人订阅
阅读下一篇
稳定供应原装正品电子物料稀缺电子物料采购平台 创芯为电子从事各类主动电子元器件的销售。解决稀缺物料样品,提供 BOM配单服务,减少采购物料的时间成本 .主要产品包括电源管理芯片、处理器及微控制器、接口芯片、放大器、存储器 、逻辑器件、数据转换芯片等,并提供相关的技术咨询。凭借优异的产品质量和完善的服务,为广大的大中小企业服务,在通讯、工业自动化,汽车电子、无人机及机器人、消费电子、电源电力、仪器仪表、网络通讯、医疗设备、智能家电、安防监控、光模块及光器件等各个领域相互促进,互利共赢。
回帖成功
经验值 +10
全部回复(1 )
只看楼主 我来说两句 抢板凳资料很不错,能分享就是最大贡献
回复 举报