知识点:按钮
1、按钮的功能
按钮是一种用人体某一部分(一般为手指或手掌)施加力而操作、并具有弹簧储能复位的控制开关,是一种最常用的主令电器。按钮的触头允许通过的电流较小,一般不超过5A。因此,一般情况下它不直接控制主电路(大电流电路)的通断,而是在控制电路(小电流电路)中发出指令信号,控制接触器、继电器等电器,再由他们去控制主电路的通断、功能转换或电器联锁。

2、按钮的结构原理与符号
按钮一般由按钮帽、复位弹簧、桥式动触头、静触头、支柱连杆及外壳等部分组成。
按钮不受外力作用(即静态)时触头的分合状态,分为停止按钮(即动断按钮)、启动按钮(即动合按钮)和复合按钮(即动合、动断触头组合为一体的按钮)。

当按钮受外力作用下,触头的分合状态发生改变:

3、按钮颜色的含义

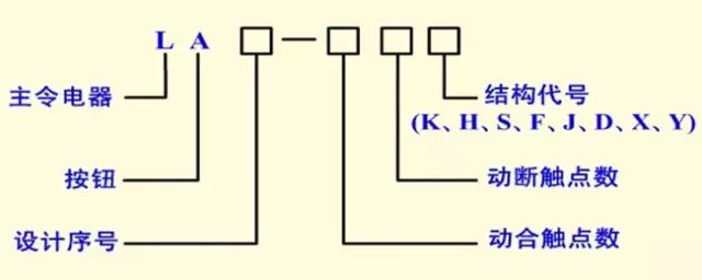
4、按钮的型号及含义

5、按钮结构形式代号
K—开启式,镶嵌在操作面板上;
H—保护式,带保护外壳,可防止内部零件受机械损伤或人偶然触及带电部分;
6、按钮的型号及含义
S—防水式,具有密封外壳,可防止雨水侵入;
F—防腐式,能防止腐蚀性气体进入;
J—紧急式,带有红色大蘑菇按钮(突出在外),做紧急切断电源用;
X—旋钮式,用旋钮旋转进行操作,有通和断两个位置;
Y—钥匙操作式,用钥匙插入进行操作,可防止误操作或供专人操作;
D—光标按钮,按钮内装有信号灯,兼做信号指示。
7、按钮的选用
1)根据使用场合和具体用途选择按钮的种类。例如,嵌装在操作面板上的按钮可选用开启式;需显示工作状态的选用光标式;需要防止人员误操作的重要场合宜用钥匙操作式;在有腐蚀性气体处要用防腐式。
2)根据工作状态指示和工作情况要求,选择按钮的颜色。例如,启动按钮可选用白、灰或黑色,优先选用白色也可以选用绿色。急停按钮应选用红色。停止按钮可选用黑、灰或白色,优先用黑色,也可以用红色。
3)根据控制回路的需要选择按钮的数量。如单联钮、双联钮和三联钮等。
8、按钮的常见故障及处理方法

相关推荐链接:
0人已收藏
0人已打赏
免费2人已点赞
分享
风力发电技术
返回版块8747 条内容 · 209 人订阅
阅读下一篇
开关电源基础知识讲解知识点:电源开关 一、前言:PC电源知多少 个人PC所采用的电源都是基于一种名为“开关模式”的技术,所以我们经常会将个人PC电源称之为——开关电源 (Switching Mode Power Supplies,简称SMPS),它还有一个绰号——DC-DC转化器。本次文章我们将会为您解读开关电源的工作模式和原理、开关电源内部的元器件的介 绍以及这些元器件的功能。
回帖成功
经验值 +10
全部回复(2 )
只看楼主 我来说两句抢地板很好的资料,最基础实用的电气专业理论知识,值得收藏和学习。
感谢楼主无私的分享,继续期待楼主新篇章。![]()
回复 举报
按钮不受外力作用(即静态)时触头的分合状态,分为停止按钮(即动断按钮)、启动按钮(即动合按钮)和复合按钮(即动合、动断触头组合为一体的按钮)。
回复 举报