土木在线论坛 \ 建筑设计 \ 建筑图集 \ 挡土墙图集(04j008)

挡土墙图集(04j008)

发布于:2022-08-17 17:32:17 来自:建筑设计/建筑图集 [复制转发]

图片


图片


图片


图片


图片


图片


图片


图片


图片


知识点:挡土墙图集

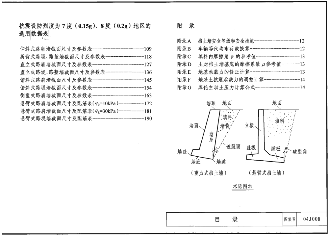
仰斜式挡土墙,cad图,根据挡土墙图集17J008_挡土墙。


全部回复(0 )

只看楼主 我来说两句抢沙发
这个家伙什么也没有留下。。。

建筑图集

返回版块

24.93 万条内容 · 551 人订阅

猜你喜欢

阅读下一篇

15J908-4 被动式太阳能建筑设计

国标图集:15J908-4 被动式太阳能建筑设计

回帖成功

经验值 +10