知识点:无线通讯增强系统
某煤矿生产过程中,各采煤、掘进及安装、回撤头面较为频繁的使用“柴油单轨吊机车”进行运输。在单轨吊机车打运及起吊过程中老旧的方法是人员使用“口哨”进行通讯,机车噪声往往大于“口哨”声,并且在前方出现紧急情况时,押车工无法及时通知司机。技术人员通过研究应用无线通讯系统,可实现在机车前后100米范围内,司机及押车工做到无线通讯,并且在紧急情况下,押车工可实现紧急停车的功能,大大提高了单轨吊机车运输安全及效率,确保了安全高效的生产秩序。
1.基本原理
利用无线系统的先进手段,给予单轨吊机车一个 “闭点”信号,实现紧急情况下断开机车运行指令,同时抱闸关闭实行停车功能,并且在平时运行过程中可以实现人员无线对讲功能。
2.关键技术
使用无线信号进行通讯联系,由信号解码器,将多功能手持无线对讲终端的无线信号转换为有线信号,经过单轨吊机车总控制器给予单轨吊命令执行器运行停车指令,断开机车抱闸系统实现停车功能。
3.工艺流程

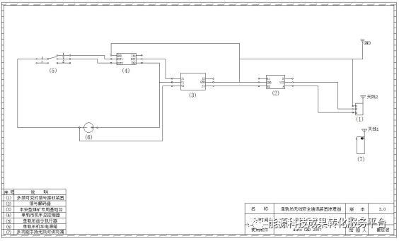
(1)流转工序
⑥给予整个系统供电,⑦给①无线信号,由②进行解码,③将解码后的信号转换为有线信号,再将信号传给④,由④给⑤停车指令,最后由⑤执行停车指令实现停车功能。
(2)详细说明
a.本装置使用无线信号进行通讯联系;
b.由信号解码器及本安型煤矿专用基地台,将多功能手持无线对讲终端的无线信号转换为有线信号;
c.有线信号经过单轨吊机车总控制器给予单轨吊命令执行器指令;
d.命令执行器收到指令后,运行停车指令,断开机车抱闸系统实现停车功能。
(1)单轨吊打运过程中司机和押车人员方便随时进行联系,在安全方面当前方遇到紧急情况时,押车人员可以进行紧急停车,为机车安全运行又增加了一份保障;
(2)使用本安型煤矿专用基地台与手持终端相配合使用的方式,具有体积小、方便携带、易使用等优点;
(3)“无线通讯安全系统”能够很好的为单轨吊作业进行服务,有效的减少人员上下机车的次数。
该成果已在某煤矿171306安装工作面、151102回撤工作面及151105安装工作面沙尔夫DZ2200型单轨吊机车上得到了较好应用,其通讯系统清晰,紧急停车系统应用及时等,提高了生产效率。该系统能耗较低,使用方便,可操控性大。
该成果更适合单轨吊机车在运行路线长,巷道高度较高,人员上下不方便,通讯不及时,单轨吊机车使用条件复杂等情况下进行使用,在安全方面可以实现无线紧急停车等功能,可在全国范围内进行推广使用。
相关推荐链接:
0人已收藏
0人已打赏
免费0人已点赞
分享
电气工程原创版块
返回版块2.2 万条内容 · 598 人订阅
阅读下一篇
背景音乐与紧急广播系统及连接图知识点:紧急广播系统连接图公共区域的背景音乐系统在公共区域设置背景音乐,可以创造舒适、和谐的氛围。随着人们文化素质的不断提高和思想意识的不断更新,现在对于公共区域背景音乐的使用已不再局限于其他公共场所,它已经被广泛的使用于所有的现代化建筑中。紧急事故公共广播系统紧急事故广播在智能建筑的设计中,通常被列为消防自动控制的一个联动部分,而实际施工中它是作为广播系统的一部分进行的。在广播系统中消防广播具有绝对优先权,它的信号所到的扬声器应无条件畅通无阻,包括切断所有其它广播和处于开启和关断的音控器,相应区域内的所有扬声器应全功率工作。消防规范上有明文规定消防广播应为N+1形式。当消防系统向本系统发出二次确认后的报警区域信号时,本系统将不做任何单独确认的执行该信号,并自动实现N+1功能,同时自动启动已录好的广播信息或人工播放事故广播,另外消防分区控制器应还具有手动切换和全切两种功能,供用户根据消防系统的实际需要做相应安排。
回帖成功
经验值 +10
全部回复(0 )
只看楼主 我来说两句抢沙发