01
钢框架构造措施

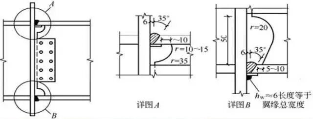
02
钢框架-中心支撑结构抗震构造措施
;一、二、三级中心支撑不得采用拉杆设计,四级采用拉杆设计时,其长细比不应大于180。
03
钢框架-偏心支撑结构抗震构造措施



内容源于网络,如有侵权,请联系删除
相关资料推荐:
知识点:钢框架
0人已收藏
0人已打赏
免费3人已点赞
分享
钢结构工程
返回版块46.53 万条内容 · 1214 人订阅
阅读下一篇
建筑结构中隔震减震加固技术的应用在过去近十年里,四川汶川地震、青海玉树地震以及世界各地接连不断的地震都给社会造成了巨大的损失,为此在建筑结构中是否充分考虑抗震问题,是否合理运用了相关的减震隔震加固技术对灾后房屋加固也成为事关人民生命财产安全和国家安全的重要问题。建筑结构中的抗震设计尤为重要。隔震和消能减震是建筑结构减轻地震受损的有效技术。又为了适应我国经济发展的需要,有条件的在隔震和消能减震加固技术方面加大投入力度,尽快得到一个能有效降低地震损失的抗震体系,保障人民人身和财产安全。
回帖成功
经验值 +10
全部回复(0 )
只看楼主 我来说两句抢沙发