版权归原作者所有
地下连续墙施工噪音、震动较小,对邻近地基和建筑物结构影响甚至微,故适宜在城市建筑密集和人流多及管线多的地域施工。

常用沉槽设备介绍
1、抓斗式沉槽机
特点:结构简单,易于操作维修,运转费用低,广泛应用在较软弱的冲积地层。
不适用:大块石、漂石、基岩等不适用。当地的标准贯入度值大于40时,效率很低。


2、冲击式成槽设备
特点:对地层适应性强,适用一般软土地层,也可使用砂砾石、卵石、基岩。设备低廉。
缺点:效率低。


3、液压铣槽机
上海市基础工程有限公司双轮铣槽机,HTS 吊车悬管系统,目前配备最大挖掘深度44m 。




4、多头钻成槽机
特点:挖掘速度快,机械化程度高,但设备体积自重大。
缺点:不适用卵石、漂石地层,更不能用于基岩。
日本利根公司开发BW型多头钻机。


地下连续墙施工工艺流程

导墙施工
1、钢筋混凝土导墙分为现浇与预制两种,目前使用现场浇筑较多。但预制的导墙比现场浇筑的节省材料用量;在地下水位很高时,预制的导墙比现场浇筑的好。
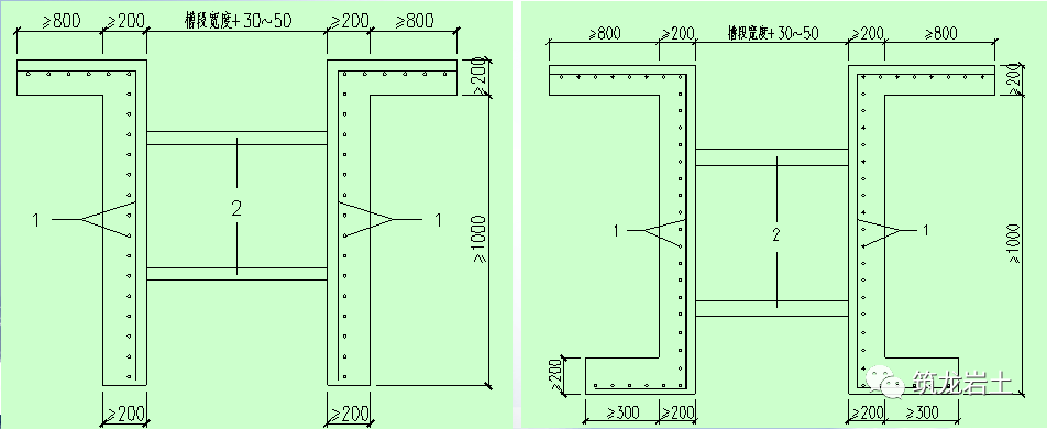
2、导墙应采用现浇混凝土结构,混凝土强度等级不应低于C20,厚度不应小于200mm。导墙应采用双向配筋,钢筋不应小于Φ12(HRB335),间距不应大于200mm,导墙形式见下图。


(导墙允许偏差)
1. 泥浆的功能
(1)防止槽壁坍塌:泥浆从槽壁表面向土层内渗透到一定范围就粘附在土颗粒上,在槽壁上形成的泥皮(不透水膜),使得泥浆的静水压力有效地作用在槽壁上,防止槽壁的剥落和坍塌,如右图所示。
(2)悬浮土渣:如果不能迅速排掉在挖槽过程中形成的土渣,会使泥浆的阻力增大,降低挖槽效果,混凝土质量下降,钢筋笼也难以插入。科学地调制泥浆,可使土渣悬浮,通过泥浆循环将其携带出地面。

2、泥浆材料的选择
(1) 膨润土的选择:选用可使泥浆成本比较经济的膨润土。预计施工过程中易受阳离子污染时,选用钙膨润土为宜。
(2)水的选择:饮用水可直接使用。水质要求:钙离子浓度应不超过100ppm,以防膨润土凝结和沉降分离;钠离子浓度不超过500ppm,以防膨润土湿胀性过多下降;pH 值为中性。超出这个范围时,应考虑在泥浆中掺加分散剂和使用耐盐性的材料,或改用盐水泥浆。
(3) CMC 的选择:泥浆中掺入CMC 之后,提高泥皮的形成性十分明显。当溶解性有问题时,应选易溶的CMC。当有海水混入泥浆时,应选耐盐的CMC。CMC 的粘度分高、中、低三档,粘度越高CMC 的价格也高,但防漏效果很明显。
(4) 分散剂的选择:分散剂的作用是提高泥水分离性,防止和处理盐分或水泥对泥浆的污染。被水泥污染的泥浆选用碳酸钠(Na2CO3)和碳酸氢钠(NaHCO3)分散剂,分离效果较好。易被盐分污染的泥浆选用以腐殖酸钠或纸浆废液为原料的铁硼木质素磺酸钠分散剂效果较好。
(5) 加重剂的选择:加重剂的作用是增加泥浆密度,提高泥浆的稳定性。目前一般选用重晶石。在地下水位很高、地基非常软弱或土压力非常大时,槽壁稳定受到威胁,作为一种措施应在泥浆中掺入加重剂,增加泥浆的密度。
(6) 防漏剂的选择:防漏剂的作用是堵塞地基土中的孔隙,防止泥浆漏失。一般防漏剂的粒径相当于漏浆层土砂粒径10%~15%左右效果最好。
3、泥浆制备的要求




(泥浆制备工厂)

(泥浆工程的内部)
(泥浆池)
单元槽段划分:
单元槽段指地下连续墙的施工时,沿着墙体长度方向把地下墙分成某种长度的施工单元。
地下连续墙单元槽段长度取决于以下因素:①设计所要求的构造、形状(拐角和端头等)、墙的厚度和深度。②施工所要求的挖槽壁面的稳定性、对相邻结构物的影响、挖槽机的最小挖槽长度、混凝土拌和站的供应能力、泥浆储备池的容量、钢筋笼的质量和尺寸、作业场地占用面积和可以连续作业的时间限制。
一般情况下以5~8m 居多,但也可取10m或更大一些的情况。
槽段划分和开挖:
1、单元槽段应综合考虑地质条件、结构要求、周围环境、机械设备、施工条件等因素进行划分。单元槽段长度宜为4m~6m。
2、成槽前应进行槽壁稳定性验算。
3、成槽宜采用液压抓斗式。成槽深度进入粉砂层(标贯击数N大于50击)的宜采用抓铣结合或钻抓结合的方法成槽。
4、成槽机应具备垂直度显示仪表和纠偏装置,成槽过程中应及时纠偏。
5、成槽后应检查泥浆指标、槽位、槽深、槽宽及槽壁垂直度等。

挖槽过程中残留在槽内的土渣以及吊放钢筋笼时从槽壁上刮落的泥皮等都要堆积在槽底。挖槽结束后,悬浮在泥浆中的土颗粒也将逐渐沉淀到槽底。浇筑地下连续墙之前,必须清除以沉渣为主的槽底沉淀物,这项工作称为清底。
清底的基本方法有置换法和沉淀法两种。置换法是在挖槽结束之后,立即对槽底进行认真清扫,在土渣还没有沉淀之前就用新泥浆把槽内泥浆置换出槽外。沉淀法在土渣沉淀到槽底之后进行清底,一般是在插入钢筋笼之前或之后清底,但后者受钢筋笼妨碍,不可能完全清理干净。

(刷壁器)
清基方式:
清除槽底沉渣的方法有:①吸泥泵排泥法;②空气升液排泥法;③带搅动翼的潜水泥浆泵排泥法;④水轮冲射排泥法;⑤抓斗直接排泥法。在这些方法中,前三种是常用的方法,如图所示。

(清底方法)
刷壁与清基的要求:
1、成槽后,应对相邻段混凝土的端面进行清刷,刷壁应到底部,刷壁次数不得少于20次,且刷壁器上无泥。
2、刷壁完成后应进行清基和泥浆置换。
3、清基宜采用泵吸法使槽底沉渣及泥浆指标满足要求为止。
地下连续墙成槽允许偏差

清基后泥浆指标:
清基后应对槽段泥浆进行检测,每幅槽段检测2处。取样点距离槽底0.5m~1.0m,泥浆指标应符合下表的规定。

接头形式

(接头管接头)
(接头箱接头)

(接头箱现场照片)

(拔接头箱现场照片)
接头管(箱)施工应符合下列规定:
1 接头管(箱)及连接件应具有足够的强度和刚度。
2 接头管(箱)进场后在首次使用前,应在现场进行组装试验。
3 接头管(箱)应露出导墙顶1.5m~2.0m以上。
4 接头管(箱)的吊装应垂直缓慢下放,严格控制垂直度。
5 接头管(箱)背后应填实。
6接头管(箱)在混凝土灌注初凝后开始提升,每30min提升一次,每次50mm~100mm,应在混凝土终凝前全部拔出。
7 接头管(箱)起拔应垂直、匀速、缓慢、连续,不应损坏接头处的混凝土。
8 接头管(箱)起拔后应及时清洗干净。

(隔板式接头)

(钢板组合接头)
1、十字钢板接头,在施工中应配置整体式或两片独立式接头箱,下端应插入槽底,上端宜高出地下连续墙泛浆高度,同时应制定有效的防混凝土绕流措施。
2、工字钢接头,在施工中应配置接头管(箱),下端应插入槽底,上端宜高出地下连续墙泛浆高度,同时应制定有效的防混凝土绕流措施。

(预制式接头)
预制混凝土接头施工应符合下列规定:
1 预制接头吊装的吊点位置及数量应根据计算确定,应分节依次吊放。
2 预制接头吊放应注意迎土面和迎坑面,严禁反放。
3 预制接头应达到设计强度的100%后运输及吊放。
4 先放预制接头,再吊放钢筋笼。
铣接头:
铣接头施工应符合下列规定:
1 后续槽段开挖时,应将套铣部分混凝土铣削干净,套铣部分不宜小于200mm。
2 导向插板应在混凝土浇筑前放置于预定位置,插板长度宜为5m~6m。
3 套铣一期槽段钢筋笼应设置限位块,限位块设置在钢筋笼两侧,宜采用PVC管,限位块长度宜为300mm~500mm,竖向间距为3m~5m。

接头的施工控制指标:
1、十字钢板接头和工字钢接头顶部偏差应小于20mm。
2、预制接头平整度应小于5mm,挠度应小于20mm,无裂缝和露筋现象,上下节端头应平整无缝隙。
3、圆形接头的接头管安装垂直度不应大于1/200。
钢筋笼制作要求:
1、钢筋笼加工场地和制作平台应平整,分节制作的钢筋笼在同胎制作时应试拼装,采用焊接或机械连接,主筋接头搭接长度应满足设计要求,搭接位置应错开50%。三级钢及Φ25以上的二级钢应采用机械连接。
2、钢筋笼起吊桁架应根据钢筋笼起吊过程中的刚度及整体稳定性的计算结果确定。
3、钢筋笼主筋交点应50%并应均匀分布点焊,主筋与桁架及吊点处应100%点焊。
4、钢筋笼应设保护层垫板,纵向间距为3m~5m,横向设置2块~3块;定位垫板宜采用4mm~6mm厚钢板制作成“”型,与主筋焊接。
钢筋笼的吊装要求:
1、吊车的选用应满足吊装高度及起重量的要求,主吊和副吊应根据计算确定。
2、钢筋笼吊点布置应根据吊装工艺和计算确定,并应进行钢筋笼整体起吊的刚度等安全验算,按计算结果配置吊具、吊点加固钢筋和吊筋等。吊筋长度应根据实测导墙标高确定。
3、钢筋笼起吊前应检查吊车回转半径600mm内无障碍物,并进行试吊。
4、钢筋笼吊放时应对准槽段中心线缓慢沉入,不得强行入槽。
5、钢筋笼的迎土面及迎坑面朝向应正确放置,严禁反放。
6、钢筋笼应在清基后及时吊放。
7、异形槽段钢筋笼起吊前应对转角处进行加强处理,并随入槽过程逐渐割除。
钢筋笼制作质量控制:
1、钢筋制作平台的平整度应控制在20mm以内。
2、钢筋笼安装误差应小于20mm。
3、钢筋笼制作允许偏差应符合下表的规定。

(钢筋笼制作允许偏差)

带注浆器的钢筋笼

凹凸接头钢筋笼

定位器

履带吊移动钢筋笼

钢筋笼下放
水下混凝土配置:
1 、水下混凝土应具备良好的和易性,初凝时间应满足浇筑要求,现场混凝土坍落度宜为200mm±20mm。
2、 水下混凝土配制强度等级应先进行试验,然后参照下表确定。

水下混凝土浇筑施工 :
1、导管宜采用直径为200mm~300mm的多节钢管,管节连接应密封、牢固,施工前应试拼并进行水密性试验。
2、导管水平布置距离不应大于3m,距槽段两侧端部不应大于1.5m。导管下端距离槽底宜为300mm~500mm。导管内应放置隔水栓。
3、浇筑水下混凝土应符合下列规定:
1)钢筋笼吊放就位后应及时灌注混凝土,间隔不宜超过4h。
2)混凝土初灌后,混凝土中导管埋深应大于500mm。
3)混凝土浇筑应均匀连续,间隔时间不宜超过30min。
4)槽内混凝土面上升速度不宜小于3m/h,同时不宜大于5m/h;导管混凝土埋入混凝土深度应为2m~4m,相邻两导管间混凝土高差应小于0.5m。
5)混凝土浇筑面宜高出设计标高300mm~500mm,凿去浮浆后的墙顶标高和墙体混凝土强度应满足设计要求。
6)每根导管分担的浇筑面积应基本均等。
4、墙顶落低3m以上的地下连续墙,墙顶设计标高以上宜采用低强度等级混凝土或水泥砂浆隔幅填充,其余槽段采用砂土填实。
5、浇筑混凝土的充盈系数应为1.0~1.2。

墙底注浆施工控制要求:
1、墙底注浆应在墙体混凝土达到设计强度后方可进行。
2、注浆管应采用钢管,单幅槽段注浆管数量不应少于2根,注浆管与钢筋笼应固定牢靠。注浆管下段应伸至槽底200mm~500mm。
3、注浆器应采用单向阀,应能承受大于1MPa的静水压力。
4、注浆量应符合设计要求,注浆压力应控制在0.2MPa~0.4MPa之间。
5、地下连续墙混凝土初凝后终凝前应用高压水劈通压浆管路。
6、注浆液应采用P.O.42.5级水泥配置;水灰比宜为0.5~0.6;浆液应过滤,滤网网眼应小于40μm。
7、满足下列条件之一可终止注浆:
1)注浆总量达到设计要求。
2)注浆量达80%以上,且压力达到2MPa。
地下连续墙质量控制要求:
1、混凝土坍落度检验每幅槽段不应少于3次;抗压强度试件每一槽段不应少于一组,且每100m3混凝土不应少于一组;永久地下连续墙每5个槽段应做抗渗试件一组。
2、混凝土抗压强度和抗渗压力应符合设计要求,墙面应无露筋和夹泥现象。
永久地下连续墙混凝土的密实度宜采用超声波检查,总抽取比例为20%;需要时采用钻孔抽芯检查强度。
3、地下连续墙各部位允许偏差应符合下表的规定。

预制墙的一般规定:
1、预制地下连续墙单元槽段长度和幅宽应根据开挖深度、基坑平面尺寸、起重机能力和构件长细比合理确定。单元槽段幅宽宜为3m~4 m。
2、导墙的设置和施工与常规地下墙施工方法一样。
3、成槽施工应符合下列规定:
1)成槽前应进行槽壁稳定验算。
2)宜采用连续成槽法进行成槽施工。
3)成槽顺序应先转角幅后直线幅。
4)成槽深度应大于墙段埋置深度100 mm ~200 mm。
5)清基后槽内泥浆的性能指标应符合下表的规定。

预制墙段的施工要求:
1、预制墙段宜在工厂制作,有条件时也可在现场预制。预制墙段可叠层制作,叠层数不应大于三层。叠层制作时,下层墙段混凝土达到设计强度的30%以后,方可进行上层墙段的制作。各层墙段间应做好隔离措施。
2、预制墙段厚度应小于成槽厚度20mm。预制墙段尺寸偏差应符合下表的规定。

预制墙段的堆放和运输:
1、预制墙段应达到设计强度的100%后方可运输及吊放。
2、预制墙段的就位吊点位置应按设计要求。设计无规定时,吊点位置应计算确定。
3、预制墙段水平起吊应四点吊,起重钢丝绳与墙段水平的夹角不应小于45°。
4、预制墙段的堆放场地应平整、坚实、排水畅通。垫块宜放置在吊点处。底层垫块面积应满足墙段自重对地基荷载的有效扩散。预制墙段叠放层数不宜超过三层,上、下层垫块应放置在同一直线上。
5、预制墙段运输叠放层数不宜超过二层。墙段装车后应采用紧绳器与车板固定,钢丝绳与墙段阳角接触处应有护角措施。异形截面墙段运输时应有可靠的支撑措施。
预制墙段的安放 :
1、预制墙段的安放顺序为先转角墙段后直线墙段。预制墙段安放闭合位置宜设在直线墙段上。闭合幅安放前,应实测闭合幅槽段上、下槽宽,并根据实测数据,对闭合幅墙段安放作相应调整。
2、预制墙段安放允许偏差应符合下表的规定。

预制墙段墙缝和墙槽缝隙处理 :
1、预制墙段墙缝宜采用现浇钢筋混凝土接头,预制墙段与槽壁间的前后缝隙宜采用压密注浆填充。
2、接头水下混凝土宜采用细石混凝土,坍落度宜为200mm±20mm ,导管内径宜采用Φ200mm。导管埋置深度宜2m~6m,导管应勤提勤拆。混凝土灌注及导管提升应缓慢。
3、预制墙段的搁置点应待墙底墙侧注浆达到设计强度的100%后才可拆除。
4、浆液指标及注浆参数应符合下表的要求。

知识点:地下连续墙
0人已收藏
0人已打赏
免费3人已点赞
分享
建筑施工图
返回版块292.66 万条内容 · 995 人订阅
回帖成功
经验值 +10
全部回复(2 )
只看楼主 我来说两句抢地板地下连续墙施工噪音、震动较小,对邻近地基和建筑物结构影响甚至微,故适宜在城市建筑密集和人流多及管线多的地域施工。
回复 举报
感谢楼主的分享,值得鼓励
回复 举报