易筑教育带你轻松取证
我们平时在 网络上总会见到发布各种注册工程师需求的信息。
最近,看了一篇文章,大概是注册类工程师挂靠的价格排行,其中注册给排水工程师名列前茅。

对于注册工程师的挂靠是属于不合规的行为,并不提倡如此。国家2019年全国社保联网,4库一平台的建立正是为了规范注册制度,减少不合规行为而做的措施。但是正是违规行为的查处,也进一步推高了证书的价格。如果可以提供唯一社保,实际中证书价格比表格中还要高不少。
但是为何注册给排水工程师,为何身价始终处于前列呢?
给水排水毕业生可从事市政管网、建筑给排水工程设计;水厂运行与管理;建筑安装施工与监理;中水处理与回用技术;供水加压泵站、污水提升泵站的运行与管理;企事业单位给排水设备的运行管理;毕业生可以到设计部门、规划部门、环境保护部门、科研院所、高等院校、工矿企业、经济管理部门和政府部门等从事给水排水工程规划、设计、管理等工作。
虽然给水排水(环境工程)也许在设计单位不属于主专业,但是各行各类的设计单位,几乎都需要给排水专业设计人员的配备,人员数量不等。正是广泛庞大的需求,设计单位为了申请资质,也促使了注册给排水工程师的身价一直较高。
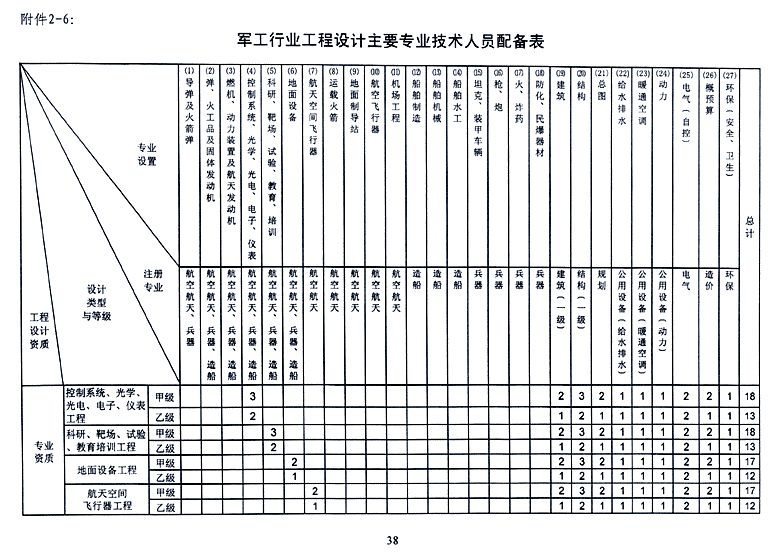
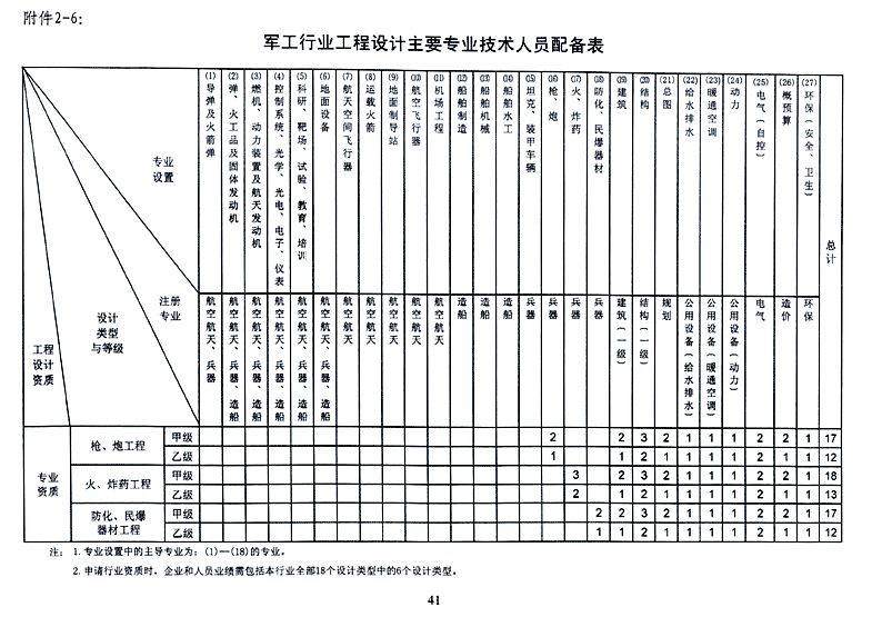
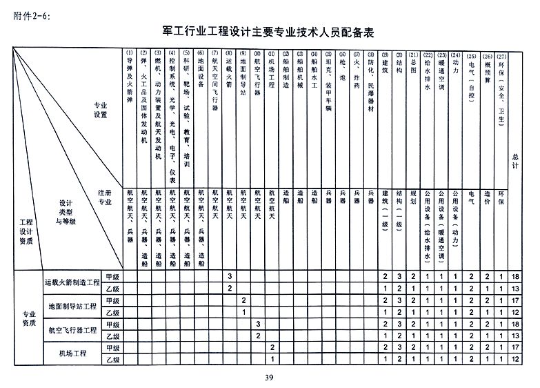
下边来看一下各设计行业对于人员配备的要求(部分行业)。由此可见,在设计单位辛勤工作的给排水设计人员,对于各行各业的重要性,努力工作的同时,也要尽量通过考试拿到证书,合法合规,实现自己的专业价值!




















易筑教育带你轻松取证
点击查看注册给排水工程师课程

0人已收藏
0人已打赏
免费1人已点赞
分享
注册给排水工程师
返回版块42.91 万条内容 · 752 人订阅
阅读下一篇
【文末领资料】注册给排水工程师报考要求易筑教育带你轻松取证点击查看注册给排水工程师课程 注册给排水工程师分为基础考试和专业考试。参加基础考试合格并按规定完成职业实践年限者,方能报名参加专业考试。符合一定条件的,可免基础考试,只需参加专业考试。 注册给排水工程师报考要求 (一)参加注册公用设备工程师基础考试,应具备下列条件之一: ⑴取得本专业或相近专业大学本科及以上学历或学位。 ⑵取得本专业或相近专业大学专科学历,累计从事公用设备专业工程设计工作满1年。
回帖成功
经验值 +10
全部回复(4 )
只看楼主 我来说两句-
weibo_1409015290593
沙发
2022-07-27 15:37:27
赞同1
-
uangzhiyong
板凳
2022-08-05 15:02:05
赞同0
加载更多感谢分享
回复 举报
顿时又有了动力
回复 举报