来源:网络,侵删!
点击了解相关课程或咨询老师QQ:2355735318 微信:18651226727。
建筑能耗在我国能源总消费中所占的比例已达35%,且持增长态势。大型公共建筑中空调系统耗能约占建筑总能耗的50~65%。
空调系统存在的典型问题:能耗高、舒适度低。
1)制冷机组、水泵、空调机组等设备工作效率较低;
2)空调房间温度无法达到设定值、波动较大;
3)水系统的噪音。
水力失调:
静态水力失调:主要由于系统在设计、产品选型、施工等过程中的种种误差迭加产生的,设计需要的系统管道阻力特性与实际系统管道阻力特性不相符,所造成的实际流量与设计流量不一致的水力失调状态。静态水力失调:天生的,所有系统都有,平衡调试后消失。
动态水力失调: 在暖通空调水系统上安装了很多调控设备,应用了变流量技术,从而使系统的瞬时阻力特性与设计所需阻力特性不符,而造成了系统的瞬时失调状况。后天的,所有系统都有,必须由动态阀门修正!
水力平衡阀的分类:
一、静态平衡阀—并联管路
二、动态平衡阀
1、动态流量平衡阀/定流量阀—冷冻机干管
2、动态压差平衡阀/压差调节器—水平支管、垂直立管
三、电动平衡阀—末端设备
1、动态平衡电动二通阀—风机盘管
2、动态平衡电动调节阀—新风机组、组合式空气处理机组
水力平衡阀的作用:
平均分配流量(按设计流量分配):静态平衡阀;
按需分配流量(按实时负荷分配):动态平衡阀。
阀门流量计算公式:
静态(水力)平衡阀:
各主要并联管路的平衡方案(集水器、垂直立管、水平支管)
水力失调的典型现象(存在的问题):
部分区域过流从而导致部分区域欠流的冷热分配不均;
为照顾不利环路而加大流量运行导致能源浪费;
有利环路阀门、末端设备处存在水流噪音。
并联环路流量分配与压降的关系:
平衡方案:各并联管路设置静态平衡阀。
平衡原理:通过调节自身开度改变阀门阻力,平衡各并联环路的阻力比值,使流量合理分配,达到实际流量与设计流量相同;
消除水系统存在的部分区域过流从而导致部分区域欠流的冷热分配不均现象,有效避免了为照顾不利环路而加大流量运行的能源浪费现象,因此可节省冷/热量,同时还可以减少水泵运行费用。
通过调节自身开度改变阀门阻力,平衡各并联环路的阻力比值,使流量合理分配,达到实际流量与设计流量相同;
消除水系统存在的部分区域过流从而导致部分区域欠流的冷热分配不均现象,有效避免了为照顾不利环路而加大流量运行的能源浪费现象,因此可节省冷/热量,同时还可以减少水泵运行费用。
静态平衡阀的作用:调整并联环路流量的分配。
静态平衡阀为一局部阻力系数可调的阀门,通过改变静态平衡阀;
自身的局部阻力系数,进而调节其所在环路的S值……。
动态平衡电动调节阀:
1、动态平衡电动调节阀=压差平衡阀+电动调节阀;
2、一台阀门安装空间小、阻力:3m;(压差平衡阀+电动调节阀阻力:5-6m)
3、初投资成本:压差平衡阀+电动调节阀较动态平衡电动调节阀高20%。
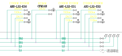
新风机组、组合式空气处理机组的平衡控制方案:
动态水力失调的典型现象(存在的问题):
1、普通电动调节阀易受系统压差波动的干扰,无法稳定精准控制水流量;
自控的理想状态:
目标区域负荷变化—阀门开度随之改变调节水流量(冷/热量的输出);
目标区域负荷不变—阀门开度维持不变稳定水流量(冷/热量的输出)。
应用普通电动调节阀,状态1系统正常运行。
应用普通电动调节阀,状态2水系统压力波动。
实际流量偏离负荷需求流量;造成电动调节阀的频繁动作。
应用普通电动调节阀,状态3控制阀门动作。
电动调节阀是水系统的一部分,它受系统影响的同时也影响着系统,它的动作会影响相邻环路,造成系统的频繁扰动。
2、普通电动调节阀在系统低负荷运转时存在着诸多问题;
① 通过阀门的流量并非很小;
② 产生较大的噪声;
③ 作用于阀芯上的力将很大,易产生阀杆抖动的糟糕状况;
④ 作用于阀芯上的力很大,如执行器选配扭矩小,易出现阀
门关不上的问题;
⑤ 阀门阀芯、执行器等关键部件寿命大大降低。
3、普通电动调节阀流量特性曲线偏离理想特性曲线。
等百分比特性曲线:
线性特性曲线:
电动调节阀门为什么需要等百分比流量特性曲线?
问题在哪里呢?压差为变量。
方案一:动态平衡电动调节阀(一体阀)
工作原理:
1、通过手轮3进行最大流量设定,设定值可被锁定滑块锁定,当负荷发生变化时,可通过执行器进行流量调节。P1阀门进口压力、P3阀门出口压力,P2阀门调节阀芯后压力。P1-P2为一恒定值。
2、动态平衡结构1a可恒定P1-P2,通过流量设定手轮3调整流量设定结构1b,从而设定最大流量。当P1-P3发生变化时(如系统末端设备开关或调节动作引起压差变化),P1-P2始终维持不变。因此,阀门任意开度下阀权度均为100%(a=1),实现从小负荷到满负荷流量的精准稳定控制。
特性曲线:
典型应用:
天棚辐射制冷系统;风机盘管系统;散热器系统;地板送风系统;新风机组、组合式空气处理机组系统。
方案二:动态平衡电动调节阀
阀体内部独特的定压差结构可以平衡系统压力波动,使通过阀门(进入机组)的流量不受系统的影响,在阀门工作压差范围内,任一开度下其流量都是唯一和恒定的。
动态平衡电动调节阀的工作原理:
1、通过弹簧力保持△P恒定不变
阀体内部的导压信道将调节结构两端的压力P1、P2分别引致膜片上下端,通过弹簧力的作用保持平衡状态:P1=P2+P弹簧,当系统压力产生波动时,平衡将被打破,如P1增大时,作用在膜片下方的力相应增加,膜片向上移动,减小压差控制结构空间, P2随之增大,达到新的平衡。反之亦然。
2、通过调节阀芯改变Kv值,从而调节流量
动态平衡电动调节阀的内部结构
风机盘管环路的平衡控制方案:
动态水力失调的典型现象(存在的问题):
1、环路内任意一个或若干个二通阀动作均会引起压差波动,造成其余末端设备的流量改变,冷热量输出变化。
2、环路外压差波动,引起整个环路及环路内每台末端设备的流量改变,冷热量输出变化。
方案一:动态平衡电动二通阀(一体阀)
工作原理:
1、可通过手轮3进行最大流量设定,设定值可被双重锁定。当负荷发生变化时,可通过执行器进行流量调节。P1为阀门进口压力、P3为阀门出口压力,P2为调节阀芯前压力。P2-P3为一恒定值。
2、动态平衡结构1a可恒定P2-P3,通过流量设定手轮3调整流量设定结构1b,从而设定最大流量。当P1-P3发生变化时(如系统末端设备开关或调节动作引起压差变化),P2-P3始终维持不变。因此,阀门任意开度下阀权度均为100%(a=1),实现从小负荷到满负荷流量的精准稳定控制。
方案二:动态平衡电动二通阀(一体阀)
集动态平衡(恒定流量)和电热开关于一体的产品;
阀门开启状态下在工作压差范围内可动态地平衡系统的压力变化使流量始终恒定不变,不受系统压力波动的影响;根据末端设备的设计流量在出厂时进行定制的产品,使流量始终维持在末端设备所要求的设计流量。
方案三:压差调节器+电热二通阀
方案四:压差调节器+电动二通阀
恒定系统环路间的压差值---稳定压差。
压差调节器稳定压差的工作原理:
压差值在一定范围内可以根据用户需要进行现场设定,设定值直读,给用户带来很大的灵活性;
当系统压差波动,作用在膜片上下端的力随之改变,膜片将带动阀芯动作从而改变阀门自身的阻力,补偿系统的压差变化,使得所控制两点间压差恒定不变。
压差调节器稳定压差的工作原理:
串联管路的总阻力数为各串联管段阻力数之和。
电热执行器较电动执行器的突出优势:
1、无齿轮等部件故无机械故障隐患、无传动噪声;
2、缓开缓闭动作特性,水系统无噪音、水锤现象;
3、缓开缓闭动作特性,室温变化平缓,舒适度高;
4、无电机、齿轮等易损件,寿命长;
5、执行机构防护等级高,适用于各种环境。
主机、水泵的平衡方案:
动态水力失调的典型现象(存在的问题):
1、冷水机组实际流量偏离额定流量;
2、水泵实际工作点偏离设计值、不在高效区;
恒定所在管路的水流量-稳定流量
动态流量平衡阀定流量的工作原理:
静态平衡阀的特点--确保平衡效果:
1、每一规格口径产品均有对应的压差—流量曲线。
2、平滑的线性流量特性曲线,保证平衡调试准确。
3、专用仪表通过两个测压孔精准测压差、流量、温度值。
4、侧面360°开度显示,方便观察与管理。
5、平衡调试后,开度可锁定,并具有关断功能。
压差调节器的特点:
1、压差设定值以压差单位直读,无需换算。
2、旋转手轮既可设定压差值,无需专用工具。
应用案例:
1、系统形式:主机定流量,末端变流量;异程式,四管制。
系统分析:场馆内人员变化较大,负荷无规律变化,整个空调系统的使用情况较为复杂,每一功能区均需不断调整流量以适应频繁变化的负荷。
1)在制冷机组的冷冻水和冷却水安装动态流量平衡阀。
2)新风机组和空调箱安装动态平衡电动调节阀
3)与机组并联的风机盘管安装动态平衡电动二通阀
4)风机盘管所在支管上安装压差调节器
系统形式:水环热泵系统,冷却水异程式两管制。
系统分析:同时存在静态失调与动态失调。
1、各层水平支管安装静态平衡阀
2、并联水环热泵主机前分支管路安装静态平衡阀和压差调节器
静态平衡阀、动态平衡电动调节阀、动态平衡电动二通阀应用:
1、在集水器各回水管、立管及水平支管上安装静态平衡阀
通过调节自身开度改变阀门阻力,平衡各并联环路的阻力比值,使流量合理分配,达到实际流量与设计流量相同;消除水系统存在的部分区域过流从而导致部分区域欠流的冷热分配不均现象,有效避免了为照顾最不利环路而加大流量运行的能源浪费现象,因此可节省冷/热量,同时还可以减少水泵运行费用。
2、新风机组和空调箱安装动态平衡电动调节阀
3、风机盘管安装动态平衡电动二通阀
加老师微信,了解更多


0人已收藏
0人已打赏
免费0人已点赞
分享
采暖供热
返回版块20.38 万条内容 · 611 人订阅
阅读下一篇
一个园区两栋楼,一栋楼地暖,另一栋楼散热片,温度不一样怎么办一个园区两栋楼,一栋楼地暖(34/45℃),另一栋楼散热片(50/75℃),市政按散热片(50/75℃),地暖那个怎么办,温度太高,怎么弄
回帖成功
经验值 +10
全部回复(0 )
只看楼主 我来说两句抢沙发