来源:网络,侵删!
正文如下:
二次回路主要是指对一次设备的工况进行监测、控制、调节、保护的二次设备,按照一定的要求连接在一起构成电路,称之为二次回路。描述二次回路的图纸称为二次回路图。
二次回路一般包括:控制回路、信号回路、测量回路、自动装置回路等。
由于二次回路图的逻辑性很强,并且是按一定规律绘制,故看图时要抓住此规律才能比较容易看懂。那看二次回路图的规律是什么呢?
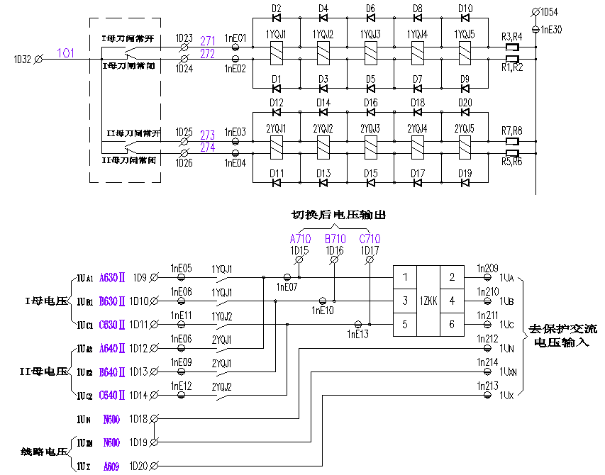
请看以下两张二次回路图,讨论以下如何看二次回路图!
110kV线路电流电压回路图
110kV线路PT电压切换回路图
1.先交流、后直流:
指先看二次接线图的交流回路,把交流回路看完弄懂后,根据交流回路的电气量以及在系统中发生故障时这些电气量的变化特点,向直流逻辑回路推断,再看直流回路。一般来说,交流回路比较简单,容易看懂。
并且二次设备作为一次设备保护监控装置,必须对一次设备电压电流进行采样,从而进行判断处理,所以看二次回路图,最好是先了解交流回路图,再进而看直流回路。
2.交流看电源、直流找线圈:
指交流回路要从电源入手;交流回路有交流电流和电压回路,先找出电源来自哪组电流互感器或哪组电压互感器,在两种互感器中传输的电流量或电压量起什么作用,与直流回路有何关系,这些电气量是由哪些继电器反应出来的,找出它们的符号和相应的触点回路,看它们用在什么回路,与什么回路有关。
3.抓住触点不放松,一个一个全查清:
指继电器线圈找到后,再找出与之相应的触点。
根据触点的闭合或开断引起回路变化的情况,再进一步分析,直至查清整个逻辑回路的动作过程。
4.先上后下、先左后右,屏外设备一个也不漏:
看端子排图要配合展开图来看。展开图上凡屏内与屏外有联系的回路,均在端子排图上有一个回路标号。
端子排图是一系列数字和文字符号的集合。
1.先交流、后直流;
2.交流看电源、直流找线圈;
3.抓住触点不放松,一个一个全查清;
4.先上后下、先左后右,屏外设备一个也不漏。

0人已收藏
0人已打赏
免费0人已点赞
分享
电气工程原创版块
返回版块2.2 万条内容 · 598 人订阅
阅读下一篇
超详细!常见电源电路图及原理讲解来源:网络,侵删! 用电路元件符号表示电路连接的图,叫电路图。电路图是人们为研究、工程规划的需要,用物理电学标准化的符号绘制的一种表示各元器件组成及器件关系的原理布局图,可以得知组件间的工作原理,为分析性能、安装电子、电器产品提供规划方案。 电路图是电子工程师必学的基本技能之一,本文集合了稳压电源、DCDC转换电源、开关电源、充电电路、恒流源相关的经典电路资料,为工程师提供最新鲜的电路图参考资料,超全超详细,只能帮你到这了!
回帖成功
经验值 +10
全部回复(0 )
只看楼主 我来说两句抢沙发